Automatic reconnection after protective tripping
Automatic reconnection after a (protective) shutdown is a requirement of the VDE and EN standards. The Reconnect function ensures that an unplanned reconnection of the power generating plant only takes place under stable grid conditions in order to make a key contribution to system security in the distribution and transmission system. It prevents the risk of grid interferences or instabilities following grid faults or island grid operation. In TwinCAT Power Plant Control, this function is implemented under the name Reconnect and configured via parameters of the Reconnect group (see Reconnect).
Activation and basic function
The reconnect function is activated by setting the parameter ReconnectAutomatic
= TRUE
. In the active state, the function continuously monitors compliance with the reconnection conditions defined in the standard during start-up:
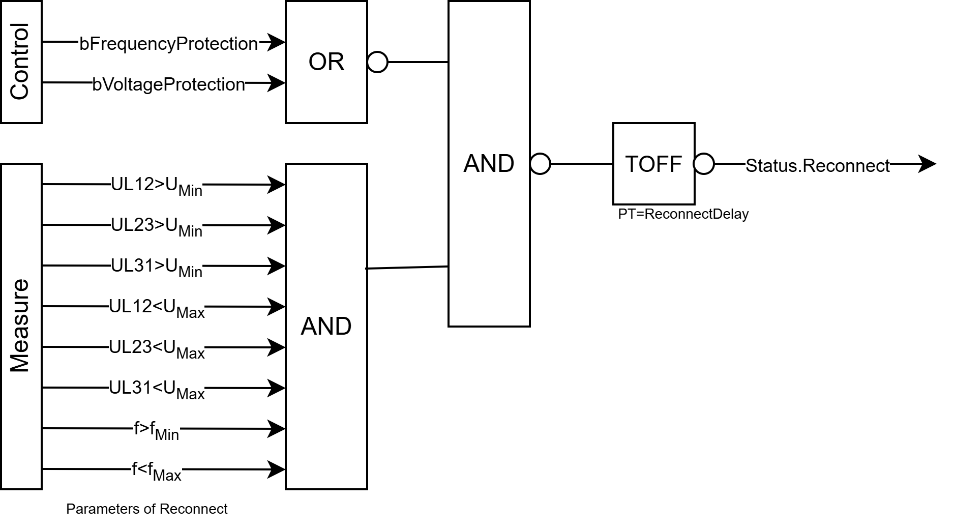
- the grid frequency (F)
- the phase-phase voltages (U12, U23, U31)
A status indicator is provided by the Status
flags:
bReconnectWait
: The reconnection conditions are met, but the reconnection delay (ReconnectDelay
) is still running.bReconnect
: The waiting time has expired - the system is starting up.bStart
: The enable signal for power generation (e.g. to control the circuit breaker) when Reconnect is active.
Optional integration of external protective devices
Protective tripping from external protective devices can also be taken into account via the flags bVoltageProtection
and/or bFrequencyProtection
Functional principle in the block diagram
The functional block diagram of the Reconnect function in accordance with the requirements of the VDE standards:
