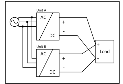
Parallelbetrieb zur Leistungserhöhung
Stromversorgungen PS2031-2410-0000 können parallel geschaltet werden, um die Ausgangsleistung zu erhöhen. Die Einstellung der Ausgangsspannung aller Stromversorgungen muss auf den gleichen Wert (±100mV) im „Single Use“-Modus und mit den gleichen Lastbedingungen auf allen Geräten erfolgen, oder die Werkseinstellung der Geräte kann beibehalten werden. Stellen Sie das Gerät nach den Anpassungen auf den Modus "Parallel Use" ein, um eine Lastverteilung zu erreichen. Der Modus "Parallel Use" regelt die Ausgangsspannung so, dass die Spannung im Leerlauf ca. 4% höher ist als bei Nennlast. Siehe auch Kapitel Ausgang
Die Umgebungstemperatur darf +60°C nicht überschreiten.
Werden mehr als drei Geräte parallel geschaltet, wird an jedem Ausgang eine Sicherung oder ein Leitungsschutzschalter mit einer Bemessungsstromstärke von 15A oder 16A benötigt. Alternativ kann auch eine Diode verwendet werden.
Einschränkungen: Halten Sie zwischen zwei Stromversorgungen einen Einbauabstand von 15mm (links/rechts) ein und installieren Sie die Stromversorgungen nicht übereinander. Verwenden Sie nur Stromversorgungen in der standardmäßigen Einbaulage im Parallelbetrieb (Anschlussklemmen an der Geräteunterseite) und nicht in anderen Einbaulagen oder unter sonstigen Bedingungen, die eine Leistungsrücknahme des Ausgangsstroms erfordern (z. B. Aufstellhöhe ...).
Denken Sie daran, dass Ableitstrom, elektromagnetische Störungen, Einschaltstrom und Oberwellen bei Verwendung mehrerer Stromversorgungen zunehmen.
