Grundlagen zur Funktion
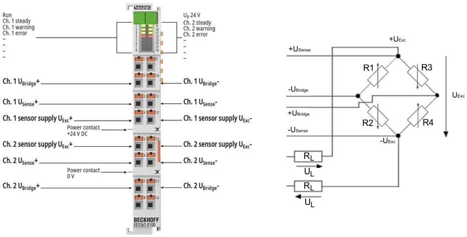
- Die Produkte sind für den Anschluss von Kraftsensoren vorgesehen, die mit Dehnungsmesssteifen (DMS) / Messbrücken arbeiten. So können Gewichte, Drehmomente oder Schwingungen erfasst werden.
- Das Produkt ist keine selbsttätige Waage, sondern nur in Verbindung mit einer PLC/Steuerung zu verwenden.
- Es muss eine Vollbrücke angeschlossen werden. Steht nur eine Viertel- oder Halbbrücke zur Verfügung, müssen externe Ergänzungsbrücken hinzugefügt werden. Der Nennkennwert ist dann entsprechend zu modifizieren.
- Wird die von dem Produkt bereitgestellte Versorgung UExc verwendet muss das Produkt im 6-Leiter betrieb verwendet werden oder es sind Brücken zwischen UExc und USense zu setzen. Die Versorgungsspannung wird intern nicht an die USense Kanäle weitergegeben.
- Es können auch mehrere DMS parallel angeschlossen werden. Bei Verwendung der bereitgestellten Versorgung UExc ist der in den technischen Daten angegebenen maximale Versorgungsstrom zu beachten.
- Die Veränderung des Quotienten aus Brücken- und Referenzspannung entspricht der relativen Krafteinwirkung auf die Wägezelle. Der Quotient wird als Prozessdatum separat ausgegeben als Wert des Verhältnisses der beiden Spannungen in mV/V oder in ein Gewicht umgerechnet.
- Beide analogen Kanäle zur Messung der Brücken- und Referenzspannung sind herstellerseitig nicht abgeglichen, da dies für die relative Messung im DMS-Betrieb nicht erforderlich ist. Dies bedeutet das bei gleicher Signalquelle bei unterschiedlichen Quellen auch unterschiedliche Werte gemessen werden können. Sollen die Produkte für gleiche anliegende Spannungen gleiche Prozesswerte ausgeben und somit austauschbar sein, muss anwenderseitig durch kanalweise Einstellung im CoE jeder Kanal abgeglichen werden. Dazu können die Anwenderkalibrierung oder die Anwenderskalierung benutzt werden.
- Das Produkt verfügt über eine Drahtbrucherkennung für USense. Es gibt keine Drahtbrucherkennung für UBridge. Wird jedoch eine der Bridge-Leitungen getrennt, geht i. d. R. die dort gemessene Spannung gegen den Endwert und zeigt somit einen Error im Status-PDO an. Ein Drahtbruch an UExc kann über die Schwellen von Range Error (0x801D:27/28, 0x805D:27/28) und Range Warning (0x801D:2D/3D, 0x805D: 2D/3D) und im jeweils zugehörigen USense Kanal detektiert werden. Die Defaulteinstellungen führen bei einer zurückgemessenen Versorgung <1 V zu einem Error.
Abb.19: ED3362-0100, 6-Leiter AnschlussÜbersicht Kommandos
Das Produkt verfügt über mehrere Kommando-Bereiche
- 0xFB00 DEV Command
gilt für das gesamte Produkt - 0xB030 RMB Command Ch.1
gilt für den Messbrückenkanal 1 (RMB Ch.1) - 0xB070 RMB Command Ch.2 [nur für ED3362, ED3362-0100]
gilt für den Messbrückenkanal 2 (RMB Ch.2)
Die folgenden Kommandos werden von dem Produkt unterstützt
Kommando | Name | Bedeutung | Kommando-Bereich |
|---|---|---|---|
0x3001 | CMD_AIRESET_ALL | Alle Zähler und Schleppzeiger werden zurückgesetzt | 0xFB00 |
0x301n | CMD_AIRESET_ | Der Schleppzeiger (PeakHold) wird zurückgesetzt | 0xFB00 |
0x302n | CMD_AIRESET_ | Der Range Error-Zähler wird zurückgesetzt | 0xFB00 |
0x303n | CMD_AIRESET_ | Der Limit-Zähler wird zurückgesetzt | 0xFB00 |
0x304n | CMD_AIRESET_ | Der Range Warning-Zähler wird zurückgesetzt | 0xFB00 |
0x313n | CMD_SET_TARA(x) | Ein Tara-Wert wird ermittelt. Die Werte werden mit diesem Befehl temporär gespeichert | 0xFB00 |
0x314n | CMD_RESET_TARA(x) | Der aktuelle Tara-Wert wird gelöscht | 0xFB00 |
0x318n | CMD_STORE_TARA(x) | Der aktuelle Tara-Wert wird im EEPROM gespeichert (spannungsausfallsicher) | 0xFB00 |
0x3190 | CMD_SET_USEROFFSET_TMP Ch. 1 / Ch. 2 | Ein aktueller Wert wird im User Scale Offset (0x80nD:0C) ermittelt und der User Scale (0x80n0:01) wird aktiviert. Die Werte werden mit diesem Befehl temporär gespeichert | 0xFB00 |
0x31A0 | CMD_RESET_USEROFFSET | Der aktuelle Wert im User Scale Offset (0x80nD:0C)wird gelöscht und User Scale (0x80n0:01) wird deaktivert | 0xFB00 |
0x31B0 | CMD_STROE_USEROFFSET | User Scale Offset (0x80nD:0C) mit aktiviertem User Scale (0x80n0:01) werden fest im EEPROM gespeichert | 0xFB00 |
0x0101 | CMD_OFFSET_ADJ | Der Offsetabgleich für die Sensorkalibrierung wird durchgeführt [Zero balance] | 0xB030, 0xB070 |
0x0102 | CMD_GAIN_ADJ | Der Gainabgleich für die Sensorkalibrierung wird durchgeführt [Sensitivity] | 0xB030, 0xB070 |
Nachfolgend die Zuordnung von Kanal x zu Kommando-Index n:
Kanal x | Kommando-Index n |
|---|---|
UBridge Ch.1 | 0 |
USense Ch.1 | 1 |
RMB Ch.1 | 2 |
UBridge Ch.2 | 4 |
USense Ch.2 | 5 |
RMB Ch.2 | 6 |