EL4078

EL4078 1:Fig.11: EL4078 LED and connection

LED

Color

Meaning

RUN

green

These LEDs indicate the terminal's operating state:

off

State of the EtherCAT State Machine: INIT = initialization of the terminal

flashing

State of the EtherCAT State Machine: PREOP = function for mailbox communication and different default settings set

Single flash

State of the EtherCAT State Machine: SAFEOP = verification of the Sync Manager channels and the distributed clocks.
Outputs remain in safe state

on

State of the EtherCAT State Machine: OP = normal operating state; mailbox and process data communication is possible

flickering

State of the EtherCAT State Machine: BOOTSTRAP = function for Firmware updates of the terminal

ERROR
Ch1…8

red

- Analog output overload:
wire break at I output, short circuit at U output
- Setpoint exceeds Limiter: below low limit /above high limit
- Internal error DAC

Notice

Cable lengths > 30 m

For longer cable lengths > 30 m, suitable overvoltage protection must be provided (e.g. EL9540-0010) if corresponding interference could affect the signal cable.

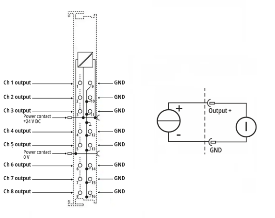
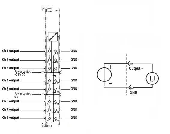
EL4078 connection

Terminal point

No.

Description

Internally connected with connection

Max. current carrying capacity *)

Ch1 output

1

Voltage/current output, channel 1

-

overload protected

Ch2 output

2

Voltage/current output, channel 2

-

overload protected

Ch3 output

2

Voltage/current output, channel 3

-

overload protected

Ch4 output

2

Voltage/current output, channel 4

-

overload protected

Ch5 output

5

Voltage/current output, channel 5

-

overload protected

Ch6 output

6

Voltage/current output, channel 6

-

overload protected

Ch7 output

7

Voltage/current output, channel 7

-

overload protected

Ch8 output

8

Voltage/current output, channel 8

-

overload protected

GND

9

Analog ground (reference potential for Ch1...Ch8)

10, 11, 12, 13, 14, 15, 16

100 mA **)

GND

10

Analog ground (reference potential for Ch1...Ch8)

9, 11, 12, 13, 14, 15, 16

100 mA **)

GND

11

Analog ground (reference potential for Ch1...Ch8)

9, 10, 12, 13, 14, 15, 16

100 mA **)

GND

12

Analog ground (reference potential for Ch1...Ch8)

9, 10, 11, 13, 14, 15, 16

100 mA **)

GND

13

Analog ground (reference potential for Ch1...Ch8)

9, 10, 11, 12, 14, 15, 16

100 mA **)

GND

14

Analog ground (reference potential for Ch1...Ch8)

9, 10, 11, 12, 13, 15, 16

100 mA **)

GND

15

Analog ground (reference potential for Ch1...Ch8)

9, 10, 11, 12, 13, 14, 16

100 mA **)

GND

16

Analog ground (reference potential for Ch1...Ch8)

9, 10, 11, 12, 13, 14, 15

100 mA **)

*) Constant current; short-term higher currents are to be avoided and can cause thermal overload (damage)

**) The "GND" potential is internally coupled to the "0V" potential, but is subject to a reduced current carrying capacity

Voltage output 0...10 V / -10...+10 V

EL4078 2:Fig.12: Connection example EL4078, voltage output, 2-wire

Current output -20 / 0 / +4…+20 mA

EL4078 3:Fig.13: Connection example EL4078, current output, 2-wire