Electrical isolation
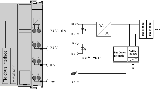
The Bus Couplers / Bus Terminal Controllers operate with three independent potential groups. The supply voltage feeds the K-bus electronics and the K-bus itself. The supply voltage is also used to generate the operating voltage for the fieldbus interface.
Note: All the Bus Terminals are electrically isolated from the K-bus. The K-bus is thus electrically isolated from everything else.
