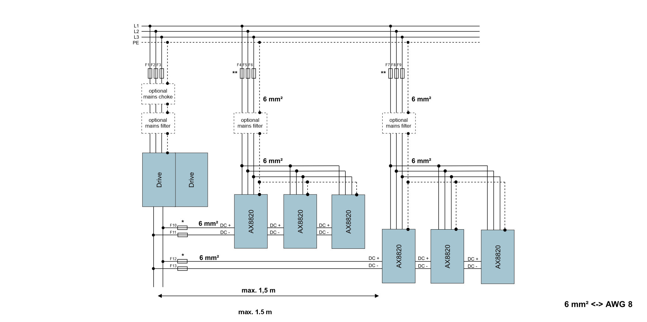
AX8820 | System extension
*) Further information can be found in chapter Fuse protection
**) Further information can be found in chapter Fuse protection
*) Further information can be found in chapter Fuse protection
**) Further information can be found in chapter Fuse protection