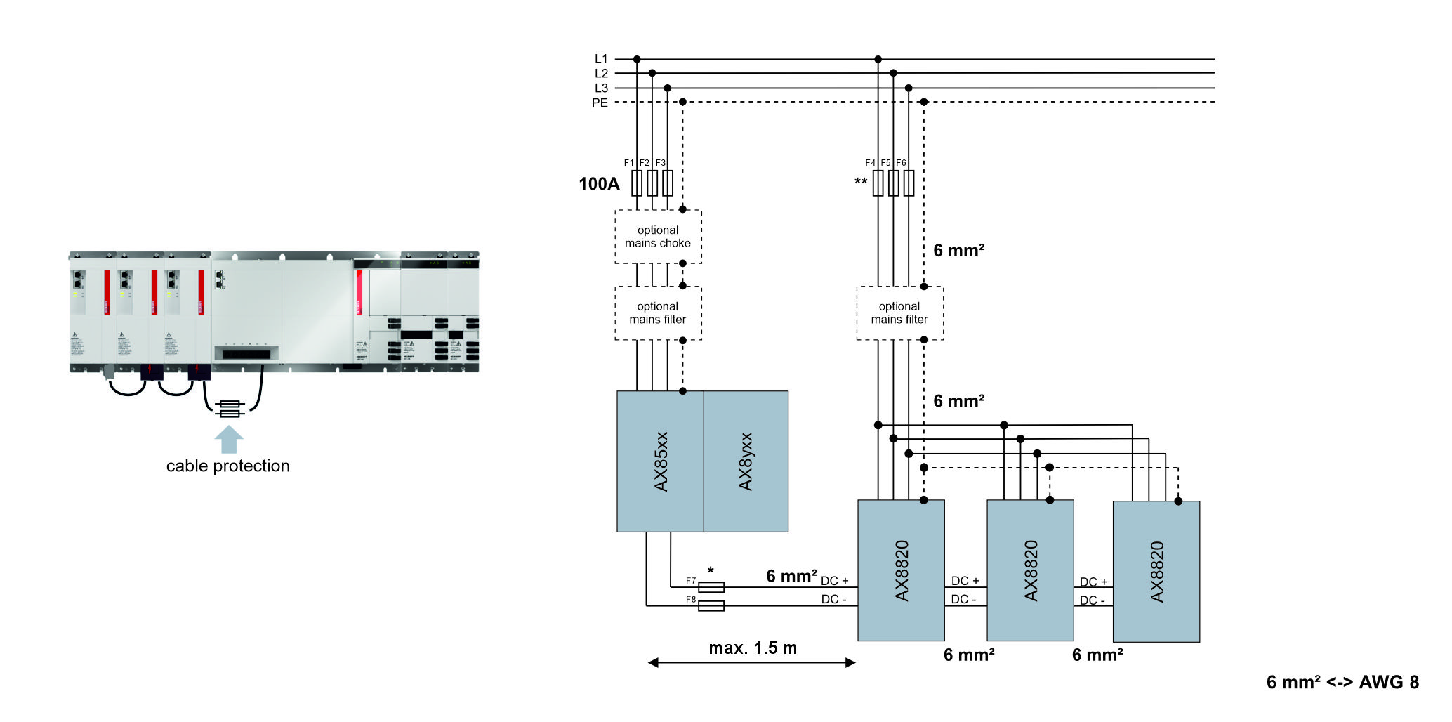
AX8820 with AX85x0
*) Further information can be found in chapter Fuse protection
**) Further information can be found in chapter Fuse protection
*) Further information can be found in chapter Fuse protection
**) Further information can be found in chapter Fuse protection