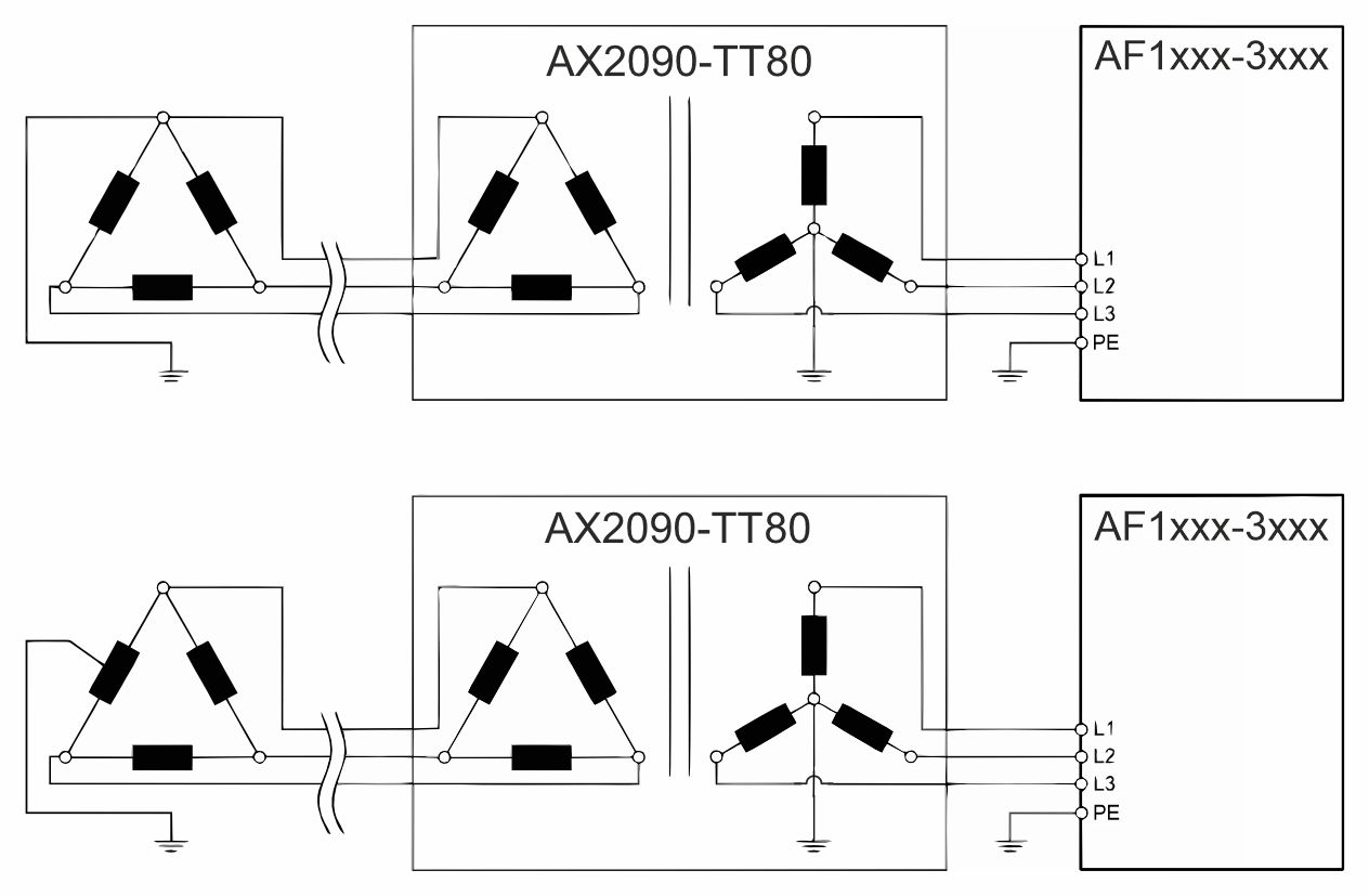
Asymmetrically grounded delta network 400…480 V AC

Asymmetrically grounded delta network 400…480 V AC 1: