AF1000 | Economy variable frequency drive
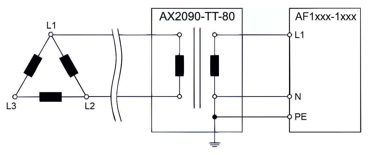
IT delta network