Automatische Wiederzuschaltung nach Schutzauslösung
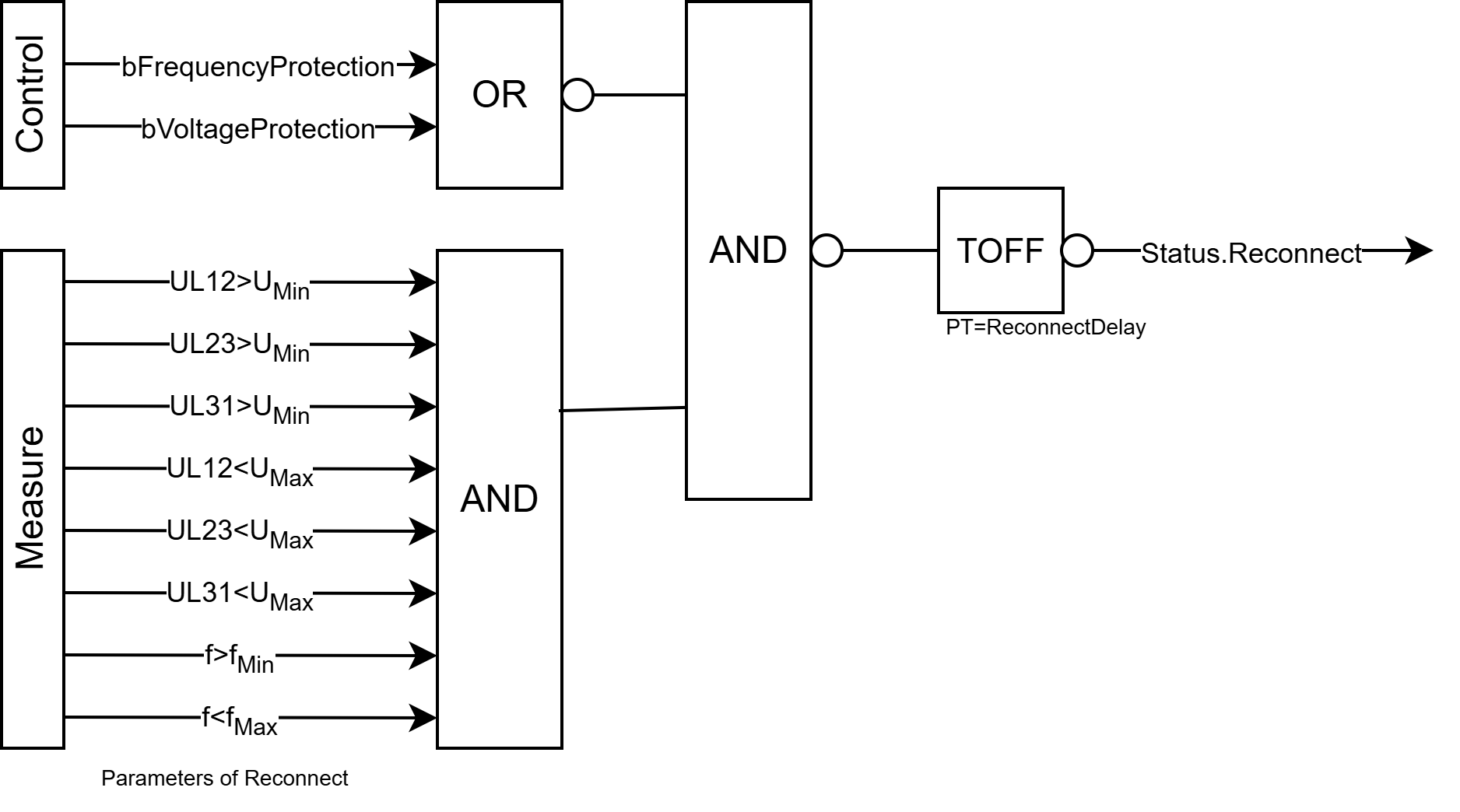
Die automatische Wiederzuschaltung nach einer (Schutz-) Abschaltung ist eine Anforderung der VDE-, sowie EN-Normen. Die Reconnect Funktion stellt sicher, dass eine ungeplante Wiederzuschaltung der Energieerzeugungsanlage nur unter stabilen Netzbedingungen erfolgt, um einen zentralen Beitrag zur Systemsicherheit im Verteil- und Übertragungsnetz zu leisten. Sie verhindert das Risiko von Netzrückwirkungen oder Instabilitäten nach Netzfehlern oder Inselnetzbetrieb. Im TwinCAT Power Plant Control wird diese Funktion unter der Bezeichnung Reconnect umgesetzt und über Parameter der Gruppe Reconnect konfiguriert (siehe Reconnect).
Aktivierung und Grundfunktion
Die Reconnect-Funktion wird durch Setzen vom Parameter ReconnectAutomatic = TRUE aktiviert. Im aktiven Zustand überwacht die Funktion beim Hochlauf kontinuierlich auf Einhaltung der in der Norm definierten Wiederzuschaltbedingungen:
- die Netzfrequenz (F)
- die Phasen-Phasen-Spannungen (U12, U23, U31)
Es erfolgt eine Zustandsanzeige durch die Status Flags:
bReconnectWait: Die Wiederzuschaltbedingungen sind erfüllt, aber die Wiedereinschaltverzögerung (ReconnectDelay) läuft noch.bReconnect: Die Wartezeit ist abgelaufen – die Anlage befindet sich im Hochlauf.bStart: Das Freigabesignal für die Energieerzeugung (z. B. zur Ansteuerung des Leistungsschalters) bei aktivem Reconnect.
Optionale Integration externer Schutzgeräte
Schutzauslösungen von externen Schutzgeräten können ebenfalls über die Flags bVoltageProtection und/oder bFrequencyProtection berücksichtigt werden
Funktionsprinzip im Blockschaltbild
Das funktionale Blockschaltbild der Reconnect Funktion gemäß den Anforderungen aus den VDE-Normen:
