FB_BasicPID

FB_BasicPID 1:

Der Funktionsbaustein stellt ein einfaches diskretisiertes PID-Glied dar.

Übertragungsfunktion:

FB_BasicPID 2:

 

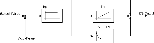
Wirkungsplan:

FB_BasicPID 3:

 

VAR_INPUT

VAR_INPUT
    fSetpointValue  : REAL;
    fActualValue    : REAL; 
    bReset          : BOOL;
    fCtrlCycleTime  : REAL; 
    fKp             : REAL; 
    fTn             : REAL; 
    fTv             : REAL; 
    fTd             : REAL; 
END_VAR

fSetpointValue: Sollwert der Regelgröße.

fActualValue: Istwert der Regelgröße.

bReset: Ein TRUE an diesem Eingang setzt die internen Zustandsgrößen und den Ausgang des Reglers zurück.

fCtrlCycleTime: Zykluszeit, mit der der Funktionsbaustein aufgerufen wird und der Regelkreis bearbeitet wird [s].

fKp : Reglerverstärkung / Reglerbeiwert

fTn : Nachstellzeit [s]

fTv: Vorhaltzeit [s]

fTd : Dämpfungszeit [s]

 

VAR_OUTPUT

VAR_OUTPUT
    fCtrlOutput     : REAL;
    nErrorStatus    : UINT
END_VAR

fCtrlOutput         : Ausgang des PID-Gliedes.

nErrorStatus     : Liefert die Fehlernummer, wenn ein Fehler vorliegt (nErrorStatus <> 0).

0 = nERR_NOERROR                           : Kein Fehler.
1 = nERR_INVALIDPARAM                 : Ungültige Parameter
2 = nERR_INVALIDCYCLETIME          : Ungültige Zykluszeit.

 

Voraussetzungen

Entwicklungsumgebung

Zielplattform

Einzubindende SPS-Bibliotheken

TwinCAT v2.8.0 Build > 747

TwinCAT v2.9.0 Build > 947

PC (i386)

TcUtilities.Lib

( Standard.Lib; TcBase.Lib; TcSystem.Lib werden automatisch eingebunden )

TwinCAT v2.7.0 Build > 522

TwinCAT v2.8.0 Build > 747

TwinCAT v2.9.0 Build > 947

BCxxxx (165)

Standard.Lb6, PlcSystemBC.Lb6, TcPlcUtilitiesBC.Lb6