Elektrisch-hydraulische Hybrid-Achsen
Konzepte hybrider Achsen
Für den Aufbau einer solchen Achse wurde von den Herstellern hydraulischer Komponenten eine Reihe von Lösungen erarbeitet. Um nicht für jedes Model jedes Herstellers eine dedizierte Lösung erstellen zu müssen wurden verallgemeinerte Konzepte entwickelt, die eine Gruppe von sich vergleichbar verhaltenden Modellen zusammenfassen. Dabei bezeichnen die nachgestellten Buchstaben (a, b, c, …) äquivalente Varianten zu einem Konzept. Im Nachfolgenden werden diese Konzepte und Varianten anhand von Beispielen vorgestellt. Die Liste dieser Beispiele ist naturgemäß unvollständig.
![]() | Die nachstehend gezeigten Bildschirminhalte sind nur sichtbar, wenn auf dem Ventil-Reiter die Markierung ‚hybrid‘ gesetzt ist. |
Vereinfachte Darstellung
Die nachstehend aufgeführten Konzepte erfordern für ihre sichere und langfristige Funktion den Einsatz diverser Druckbegrenzer und Nachsaugventile. Diese Komponenten sind unverzichtbar, haben aber keinen direkten Einfluss auf die grundsätzliche Funktion der Achse. Zum besseren Verständnis sind alle Schaltungen mehr oder weniger vereinfacht und nicht als Dokumentation eines realen Produkts zu verstehen.
1: Nachbildung eines Gleichgang-Zylinders ohne Regenerativ-Schaltung
Hier wird unter Verwendung eines hydraulischen Gleichgang- oder Differential-Zylinders und einer angepassten Pumpenanordnung das steuerungstechnische Verhalten eines Gleichgang-Zylinders nachgebildet. Eine Getriebeschaltung kann durch eine Pumpenumschaltung realisiert werden, ergibt dann jedoch ein anderes Konzept.
1a: Nachbildung des Gleichgang-Zylinders mit einem Differential-Zylinder

Hersteller / Produkt: Voith Turbo / CLDP.
Hier werden zwei in ihrem Volumenstrom an die Zylinderflächen angepasste Pumpen auf einer Motorwelle betrieben. Dabei sind die Fördermengen der Pumpen Q1 / Q2 an das Verhältnis der Wirkungsflächen anzupassen. Da dies nicht immer situationsunabhängig perfekt möglich ist können sich komplexe Druckverteilungen ergeben.
Für die Steuerung ergibt sich das Verhalten eines Gleichgang-Zylinders mit richtungsunabhängiger Vorschub-Konstante.
Hydraulisch liegt ein Differential-Zylinder vor und es ist ein Austauschvolumen zu speichern.
Es ist keine Getriebeschaltung verfügbar. Sie kann durch synchron mengenumschaltbare Pumpen realisiert werden. Dies ergibt ein anderes Konzept.

Benötigte Parameter: Wirkungsfläche in positiver Richtung (1), Wirkungsfläche in negativer Richtung (2), Volumen pro Umdrehung an der Wirkungsfläche in positiver Richtung (3), maximale Pumpendrehzahl (4).
Automatisch berechnete Parameter: Volumen pro Umdrehung an der Wirkungsfläche in negativer Richtung. Dabei wird das Verhältnis der Wirkungsflächen verwendet.
Automatisch festgelegte Parameter: Die zuschaltbaren Flächen sind 0, die Umdrehungs-Volumina für den Kraftgang sind gleich den Werten für den Eilgang.
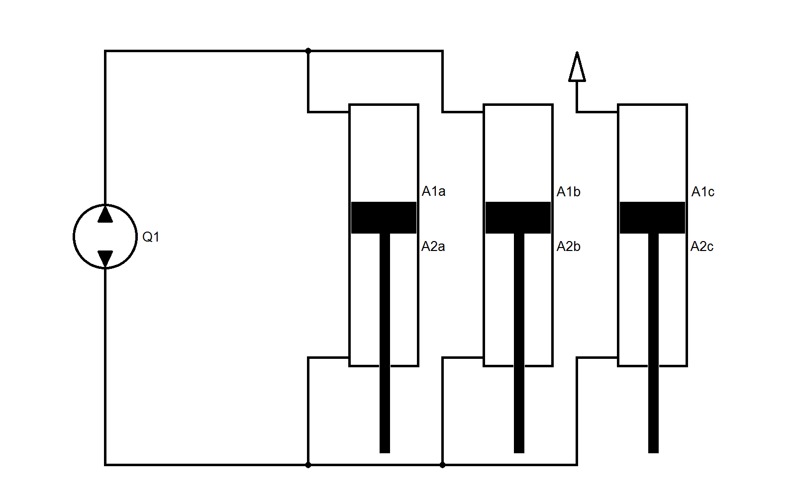
1b: Nachbildung eines Gleichgang-Zylinders mit mehreren Differential-Zylindern

Hersteller / Produkt: Bucher / Demo HMI2018.
Hier werden drei Differential-Zylinder mit Flächenverhältnis 2:3 mechanisch parallel geschaltet. Die drei kleineren Flächen A2abc sind hydraulisch parallel geschaltet und bilden eine Wirkungsfläche. Von den größeren Flächen sind A1ab hydraulisch parallel geschaltet, während die dritte Fläche A1c belüftet ist.
Für die Steuerung ergibt sich ein zusammengesetzter Gleichgang-Zylinder mit richtungsunabhängiger Vorschub-Konstante.
Hydraulisch liegt ein Gleichgang-Zylinder vor und es ist kein Austauschvolumen zu speichern.
Laut Hersteller ist eine Getriebeschaltung möglich. Dies ergibt ein anderes Konzept.

Benötigte Parameter: Wirkungsfläche in positiver Richtung (1), Wirkungsfläche in negativer Richtung (2), Volumen pro Umdrehung an der Wirkungsfläche in positiver Richtung (3), maximale Pumpendrehzahl (4).
Automatisch berechnete Parameter: Volumen pro Umdrehung an der Wirkungsfläche in negativer Richtung. Dabei wird das Verhältnis der Wirkungsflächen (hier 1:1) verwendet.
Automatisch festgelegte Parameter: Die zuschaltbaren Flächen sind 0, die Umdrehungs-Volumen für den Kraftgang sind gleich den Werten für den Eilgang.
2: Nachbildung eines Gleichgang-Zylinders mit Regenerativ-Schaltung
Hier wird unter Verwendung eines hydraulischen Differential-Zylinders und einer angepassten Pumpenanordnung in einer Regenerativ-Schaltung das steuerungstechnische Verhalten eines Gleichgang-Zylinders nachgebildet. Eine Getriebeschaltung kann durch eine Pumpenumschaltung realisiert werden, ergibt dann jedoch ein anderes Konzept.
2a: Nachbildung eines Gleichgang-Zylinders mit Regenerativ-Schaltung

Hersteller / Produkt: Bosch Rexroth / Applikation.
Hier werden zwei in ihrem Volumenstrom an die Zylinderflächen angepasste Pumpen auf einer Motorwelle betrieben. Dabei sind die Fördermengen der Pumpen Q1 / Q2 an das Flächenverhältnis von Stangenquerschnitt / Ringfläche anzupassen. Da dies nicht immer situationsunabhängig perfekt möglich ist können sich komplexe Druckverteilungen ergeben.
Für die Steuerung ergibt sich das Verhalten eines Gleichgang-Zylinders mit richtungsunabhängiger Vorschub-Konstante.
Hydraulisch liegt ein Differential-Zylinder vor und es ist ein Austauschvolumen zu speichern.
Es ist keine Getriebeschaltung verfügbar. Sie kann durch synchron mengenumschaltbare Pumpen realisiert werden. Dies ergibt ein anderes Konzept.
![]() | Das Ölvolumen in Q1 sowie das Volumen der nur von ihrem Förderstrom durchströmten Leitungen muss kleiner sein als das im Betrieb ausgetauschte Öl für den Querschnitt der Kolbenstange. Andernfalls ist kein sicherer Ölaustausch gegeben. |

Benötigte Parameter: Wirkungsfläche in positiver Richtung (1), Wirkungsfläche in negativer Richtung (2), Volumen pro Umdrehung an der Wirkungsfläche in positiver Richtung (3), maximale Pumpendrehzahl (4) , maximale Pumpendrehzahl (5).
Automatisch berechnete Parameter: Volumen pro Umdrehung an der Wirkungsfläche in negativer Richtung. Dabei wird das Verhältnis der Wirkungsflächen verwendet.
Automatisch festgelegte Parameter: Die zuschaltbaren Flächen sind 0, die Umdrehungs-Volumina für den Kraftgang sind gleich den Werten für den Eilgang. Die Markierung für den Regenerativ-Betrieb ist gesetzt.
3: Getriebeschaltung durch eine Umschaltung von Wirkungsflächen
Hier werden durch Schaltventile Wirkungsflächen eines Zylinders wirksam oder unwirksam gemacht oder variabel zusammengeschaltet. In einigen Fällen entstehen dabei ‚virtuelle‘ Flächen, die bei der Ölmenge zu berücksichtigen sind, aber nicht zum Kraftaufbau beitragen.
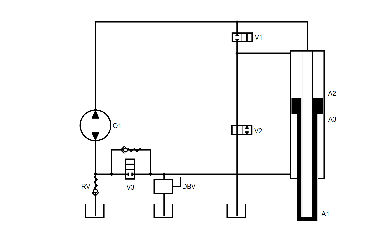
3a: Einsatz eines Zylinders mit 2+1 Wirkungsflächen

Hersteller / Produkt: EH-D.
Eilgang-Schaltung: V1 und V2 (Achtung: Ventil-Symbol beachten) sind ausgeschaltet. Zum Ausfahren des Zylinders muss V3 geschaltet werden. Wenn A1 und A3 gleich sind wird kein Öl mit dem Tank ausgetauscht. Andernfalls muss richtungsabhängig Differenz-Öl über das RV nachgesaugt oder über das DBV verdrängt werden.
Kraftgang-Schaltung: V1 und V2 (Achtung: Ventil-Symbol beachten) sind eingeschaltet. Beim Ausfahren muss V3 geschaltet werden. Die Ölmenge aus A3 wird für A1/A2 über das RV ergänzt. Ein Einfahren ist in dieser Schaltung nur möglich, indem ein erhebliches Volumen unter Wärmeentwicklung über das DBV verdrängt wird. Diese Kombination aus Ventil-Schaltung und Drehrichtung der Pumpe ist für den Druckabbau sinnvoll, sollte jedoch nicht für eine aktive Bewegung verwendet werden.
Benötigte Parameter: Wirkungsfläche in Ausfahr-Richtung = A1 (1), addierte Wirkungsfläche in Ausfahr-Richtung = A2 (2), Wirkungsfläche in Einfahr-Richtung = A3 (3), addierte Wirkungsfläche in Einfahr-Richtung = 0 (4), Volumen pro Umdrehung an der Wirkungsfläche in positiver Richtung (5), maximale Pumpendrehzahl (6).
Automatisch berechnete Parameter: Das Volumen pro Umdrehung an der Wirkungsfläche in negativer Richtung wird gleich dem Volumen pro Umdrehung an der Wirkungsfläche in positiver Richtung gesetzt.
Automatisch festgelegte Parameter: Die Umdrehungs-Volumina für den Kraftgang sind gleich den Werten für den Eilgang.
3b: Erzeugung einer virtuellen Flächenumschaltung

Hersteller / Produkt: Voith Turbo / CLSP.
Hier ergibt sich durch Ventile eine Getriebeschaltung.
Eilgang-Schaltung:
Beim Ausfahren sind V1a und V2b geschaltet. Die Ölmenge für die Ringfläche wird via V1a zwischen den Flächen ausgetauscht. Die Ölmenge für den Stangenquerschnitt wird via V2b durch die Pumpe aus dem Tank ergänzt. Schaltungsbedingt ist der Stangenquerschnitt hydraulisch abgestützt. Der Zylinder weist eine niedrige Eigenfrequenz auf und sollte mit angepasster Dynamik betrieben werden.
Beim Einfahren sind V1b und V2a geschaltet. Die Ölmenge für die Ringfläche wird via V1b durch die Pumpe zwischen den Flächen ausgetauscht. Die Ölmenge für den Stangenquerschnitt wird via V2a zum Tank abgeleitet. Schaltungsbedingt ist die Fläche A2 nur mit dem Vorspanndruck des Tanks beaufschlagt. Der Zylinder ist nur bedingt in der Lage, durch eigene Kraft zu Bremsen. Er sollte mit angepasster Dynamik betrieben werden.
Kraftgang-Schaltung:
Beim Ausfahren sind V1b und V2b geschaltet. Die Ölmenge für die Ringfläche wird via V1b durch die Pumpe zwischen den Flächen ausgetauscht. Die Ölmenge für den Stangenquerschnitt wird via V2b durch die Pumpe aus dem Tank ergänzt. Schaltungsbedingt ist die Fläche A2 nur mit dem Vorspanndruck des Tanks beaufschlagt. Der Zylinder ist nur bedingt in der Lage, durch eigene Kraft zu Bremsen. Er sollte durch den Prozess abgestützt und gebremst werden.
Beim Einfahren sind V1b und V2b geschaltet. Die Ölmenge für die Ringfläche wird via V1b durch die Pumpe zwischen den Flächen ausgetauscht. Die Ölmenge für den Stangenquerschnitt wird via V2b durch die Pumpe zum Tank abgeleitet. Schaltungsbedingt ist die Fläche A2 nur mit dem Vorspanndruck des Tanks beaufschlagt. Der Zylinder ist nur bedingt in der Lage, durch eigene Kraft zu Fahren. Es ist zu überprüfen, ob er in der Lage ist, die durch Gravitation und Reibung erzeugten Kräfte zu überwinden. Diese Schaltung sollte nur zum Abbau von in Ausfahrrichtung erzeugten Kräften verwendet werden.

Benötigte Parameter: Wirkungsfläche in Ausfahr-Richtung = Stangenquerschnitt (1), addierte Wirkungsfläche in Ausfahr-Richtung = Ringfläche (2), Wirkungsfläche in Einfahr-Richtung = Ringfläche (3), addierte Wirkungsfläche in Einfahr-Richtung = 0 (4), Volumen pro Umdrehung an der Wirkungsfläche in positiver Richtung (5), maximale Pumpendrehzahl (6).
Automatisch berechnete Parameter: Das Volumen pro Umdrehung an der Wirkungsfläche in negativer Richtung wird gleich dem Volumen pro Umdrehung an der Wirkungsfläche in positiver Richtung gesetzt.
Automatisch festgelegte Parameter: Die Umdrehungs-Volumina für den Kraftgang sind gleich den Werten für den Eilgang.
3c: Erzeugung einer virtuellen Flächenumschaltung

Hersteller / Produkt: EH-D / 18-0129-001-HY-K.
Hier ergibt sich eine Getriebeschaltung durch Ventile.
Eilgang-Schaltung:
Beim Ausfahren sind V1 optional, V2 und V3 zwingend geschaltet. Die Ölmenge für die Ringfläche wird via V3 / V1 zwischen den Flächen ausgetauscht. Die Ölmenge für den Stangenquerschnitt wird via V2 aus dem Tank ergänzt. Schaltungsbedingt ist die Fläche A1 nur mit dem Vorspanndruck des Tanks beaufschlagt. Schaltungsbedingt ist die Fläche A2 nur mit dem Vorspanndruck des Tanks beaufschlagt. Der Zylinder ist nur bedingt in der Lage, durch eigene Kraft zu Fahren. Es ist zu überprüfen, ob er in der Lage ist, die durch Gravitation und Reibung erzeugten Kräfte zu überwinden. Diese Schaltung sollte nur zum Abbau von in Ausfahrrichtung erzeugten Kräften verwendet werden.
Beim Einfahren sind V1 zwingend, V2 zwingend und V3 optional geschaltet. Die Ölmenge für die Ringfläche wird via V1 / V3 durch die Pumpe zwischen den Flächen ausgetauscht. Die Ölmenge für den Stangenquerschnitt wird via V2 zum Tank abgeleitet. Schaltungsbedingt ist die Fläche A2 nur mit dem Vorspanndruck des Tanks beaufschlagt. Der Zylinder ist nur bedingt in der Lage, durch eigene Kraft zu Bremsen. Er sollte mit angepasster Dynamik betrieben werden.
Kraftgang-Schaltung:
Beim Ausfahren sind V1 optional und V3 zwingend geschaltet, V2 zwingend nicht geschaltet. Die Ölmenge für die Ringfläche wird via V3 / V1 durch die Pumpe zwischen den Flächen ausgetauscht. Die Ölmenge für den Stangenquerschnitt wird via RV durch die Pumpe aus dem Tank ergänzt. Schaltungsbedingt ist die Fläche A2 nur mit dem Vorspanndruck des Tanks beaufschlagt. Der Zylinder ist nur bedingt in der Lage, durch eigene Kraft zu Bremsen. Er sollte durch den Prozess abgestützt und gebremst werden.
Beim Einfahren sind V1 zwingend und V3 optional geschaltet, V2 zwingend nicht geschaltet. Die Ölmenge für die Ringfläche wird via V1 / V3 durch die Pumpe zwischen den Flächen ausgetauscht. Die Ölmenge für den Stangenquerschnitt wird via DBV zum Tank abgeleitet. Schaltungsbedingt ist die Fläche A2 nur mit dem Begrenzungsdruck des DBV beaufschlagt. Der Zylinder ist nur bedingt in der Lage, durch eigene Kraft zu Fahren. Es ist zu überprüfen, ob er in der Lage ist, die durch Gravitation und Reibung erzeugten Kräfte zu überwinden.

Benötigte Parameter: Wirkungsfläche in Einfahr- und Ausfahr-Richtung = Ringfläche (1, 3), addierte Wirkungsfläche in Einfahr- und Ausfahr-Richtung = Stangenquerschnitt (2, 4), Volumen pro Umdrehung an der Wirkungsfläche in positiver Richtung (5). Die addierte Wirkungsfläche in Ausfahr-Richtung ist als ‚virtuell‘ zu kennzeichnen (7), da sie bei der Berechnung der benötigten Drehzahl berücksichtigt werden muss, aber nicht zum Kraftaufbau beiträgt, maximale Pumpendrehzahl (6).
Automatisch berechnete Parameter: Das Volumen pro Umdrehung an der Wirkungsfläche in negativer Richtung wird gleich dem Volumen pro Umdrehung an der Wirkungsfläche in positiver Richtung gesetzt.
Automatisch festgelegte Parameter: Die Umdrehungs-Volumina für den Kraftgang sind gleich den Werten für den Eilgang.
3d: Erzeugung einer virtuellen Flächenumschaltung

Hersteller / Produkt: Voith Turbo / PDSC.
Hier ergibt sich eine Getriebeschaltung durch Ventile.
Eilgang-Schaltung:
Beim Ein- und Ausfahren ist V1 zwingend geschaltet. Ein Teil der Ölmenge aus A2 wird regenerativ für A1 genutzt, die Restmenge via Pumpe mit A3 ausgetauscht. Da A3=A1-A2 gilt liegt sowohl hydraulisch als auch für die Steuerung ein Gleichgang-Verhalten vor.
Kraftgang-Schaltung:
Beim Ausfahren ist V1 zwingend nicht geschaltet. Da der Druck in A1 durch die Wirkung der Pumpe höher als die Drücke in A2 und A3 ist sperrt das RV und das DBV verbindet A2 und A3. Da A1=A2+A3 gilt liegt sowohl hydraulisch als auch für die Steuerung ein Gleichgang-Verhalten vor.
Ein Einfahren im Kraftgang ist nicht möglich, da das RV hydraulisch gesteuert die Eilgang-Schaltung erzeugt.

Benötigte Parameter: Wirkungsfläche in Einfahr- und Ausfahr-Richtung = A3 (1, 3), addierte Wirkungsfläche in Einfahr- und Ausfahr-Richtung = A2 (2, 4), Volumen pro Umdrehung an A1 (5), maximale Pumpendrehzahl (6).
Automatisch berechnete Parameter: Das Volumen pro Umdrehung an A2+A3 wird gleich dem Volumen pro Umdrehung an der Wirkungsfläche in positiver Richtung gesetzt.
Automatisch festgelegte Parameter: Die Umdrehungs-Volumina für den Kraftgang sind gleich den Werten für den Eilgang.
3e: Erzeugung einer virtuellen Flächenumschaltung

Hersteller / Produkt: EH-D / ECO.
Hier ergibt sich eine Getriebeschaltung durch Ventile.
Eilgang-Schaltung:
Beim Einfahren sind VA1, VA2 zwingend und VB2 optional geschaltet. VB1 und VA3 sind zwingend nicht geschaltet. Die Pumpe fördert Öl von A1 nach A2, wobei der von A2 stammende Anteil für den Stangenquerschnitt via VA1 zum Tank abgeleitet wird.
Beim Ausfahren sind VA1 und VB2 zwingend nicht geschaltet. VB1 und VA2 sind optional geschaltet. VA3 ist zwingend geschaltet. Die Ölmenge aus A2 wird via VA3 regenerativ für A1 genutzt, die Restmenge via Pumpe und VB1 vom Tank ergänzt.
Kraftgang-Schaltung:
Beim Ausfahren sind VA1 und VA3 zwingend nicht geschaltet. VB1 und VA2 sind optional geschaltet. VB2 ist zwingend geschaltet. Die Ölmenge aus A2 wird via VB2 regenerativ für A1 genutzt, die Restmenge via Pumpe und VB1 vom Tank ergänzt.
Ein Einfahren im Kraftgang ist nicht möglich, da hierfür das DBV die Ölmenge für den Stangenquerschnitt bei hohem Druck ableiten müsste.
Für eine Dekompression der Fläche A1 kann in der Kraftgangschaltung bei dann zwingend geschalteten VB1 und VA2 der Druck abgebaut werden.

Benötigte Parameter: Wirkungsfläche in Einfahr-Richtung = Ringfläche (1), addierte Wirkungsfläche in Einfahr-Richtung = 0 (2), Wirkungsfläche in Ausfahr-Richtung = Stangenquerschnitt (3), addierte Wirkungsfläche in Ausfahr-Richtung = Ringfläche (4), Volumen pro Umdrehung an A1 (5), maximale Pumpendrehzahl (6).
Automatisch berechnete Parameter: Das Volumen pro Umdrehung an A2 wird gleich dem Volumen pro Umdrehung an der Wirkungsfläche in positiver Richtung gesetzt.
Automatisch festgelegte Parameter: Die Umdrehungs-Volumina für den Kraftgang sind gleich den Werten für den Eilgang.
