N+1 Redundanz

N+1 Redundanz 1:

Hinweise zum Parallelbetrieb für N+1 Redundanz

  • Beachten Sie, dass Ableitstrom, EMI, Einschaltstrom und Oberschwingungen bei Verwendung mehrerer Geräte zunehmen.
  • Für N + 1 Redundanzsysteme darf die Umgebungstemperatur +60°C nicht überschreiten.

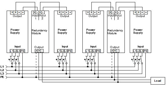
Redundanzsysteme für größeren Leistungsbedarf werden üblicherweise mit der N + 1 Methode aufgebaut. Z. B. werden vier Geräte mit einem Nennstrom von 10 A parallel zu einem 30 A Redundanzsystem aufgebaut.

Beispiel Verdrahtung:

N+1 Redundanz 2:
Verdrahtung für n+1 - Redundanz mit zwei Redundanzmodulen PS9401-2440-0000