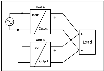
Parallelbetrieb zur Leistungserhöhung

Stromversorgungen PS2001-2405-0000 können parallel geschaltet werden, um die Ausgangsleistung zu erhöhen. Die Einstellung der Ausgangsspannung aller Stromversorgungen muss auf den gleichen Wert (±100mV) und mit den gleichen Lastbedingungen auf allen Geräten erfolgen, oder die Werkseinstellung der Geräte kann beibehalten werden. Die Umgebungstemperatur darf +40°C nicht überschreiten.

Werden mehr als drei Geräte parallel geschaltet, wird an jedem Ausgang eine Sicherung oder ein Leitungsschutzschalter mit einer Bemessungsstromstärke von 10A benötigt. Alternativ kann auch eine Diode verwendet werden.

Setzen Sie alle Geräte gleichzeitig unter Strom. Es kann auch erforderlich sein, die Eingangsleistung hochzufahren und abzuschalten (mindestens für fünf Sekunden abschalten), wenn der Ausgang überlastet oder kurzgeschlossen war und der erforderliche Ausgangsstrom höher ist als der Strom eines Geräts.

Einschränkungen: Halten Sie zwischen zwei Stromversorgungen einen Einbauabstand von 15mm (links/rechts) ein und installieren Sie die Stromversorgungen nicht übereinander. Verwenden Sie nur Stromversorgungen in der standardmäßigen Einbaulage im Parallelbetrieb (Anschlussklemmen an der Geräteunterseite) und nicht in anderen Einbaulagen oder unter sonstigen Bedingungen, die eine Leistungsrücknahme des Ausgangsstroms erfordern (z. B. Aufstellhöhe ...).

Denken Sie daran, dass Ableitstrom, elektromagnetische Störungen, Einschaltstrom und Oberwellen bei Verwendung mehrerer Stromversorgungen zunehmen.

Parallelbetrieb zur Leistungserhöhung 1:Abb.22: Parallelschaltung