N+1 Redundanz
![]() | Hinweise zum Parallelbetrieb für N+1 Redundanz
|
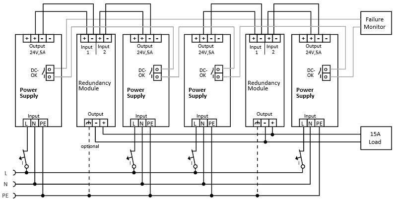
Redundanzsysteme für größeren Leistungsbedarf werden üblicherweise mit der N + 1 Methode aufgebaut. Z. B. werden vier Geräte mit einem Nennstrom von 5 A parallel zu einem 15 A Redundanzsystem aufgebaut.
- Halten Sie zwischen zwei Stromversorgungen einen Einbauabstand von 15 mm (links/rechts) ein.
- Installieren Sie die Stromversorgungen nicht übereinander.
- Verwenden Sie parallel geschaltete Stromversorgungen nicht in Einbaulagen, die von der standardmäßigen Einbaulage (Anschlussklemmen an der Geräteunterseite) abweichen, oder in einem anderen Zustand, welcher die Reduzierung des Ausgangsstroms erfordert.
Beispiel Verdrahtung:
Abb.24: Verdrahtung für n+1 - Redundanz mit zwei Redundanzmodulen PS9401-2420-0000