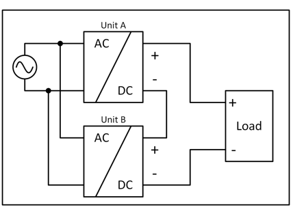
Serienschaltung
Stromversorgungen des gleichen Typs können in Reihe geschaltet werden, um die Ausgangsspannungen zu erhöhen. Es können so viele Geräte in Reihe geschaltet werden wie nötig, solange die Summe der Ausgangsspannungen nicht mehr als 150Vdc beträgt. Spannungen mit einem Potential über 60Vdc sind keine Schutzkleinspannungen mehr und können gefährlich sein. Solche Spannungen müssen mit einem Berührungsschutz installiert werden.
Eine Erdung des Ausgangs ist erforderlich, wenn die Summe der Ausgangsspannung mehr als 60Vdc beträgt.
Vermeiden Sie Rückflussspannung (z. B. von einem bremsenden Motor oder einer Batterie), die an die Ausgangsklemmen angelegt wird.
Einschränkungen: Halten Sie zwischen zwei Stromversorgungen einen Einbauabstand von 15mm (links/rechts) ein und installieren Sie die Stromversorgungen nicht übereinander.
Denken Sie daran, dass Ableitstrom, elektromagnetische Störungen, Einschaltstrom und Oberwellen bei Verwendung mehrerer Stromversorgungen zunehmen.
