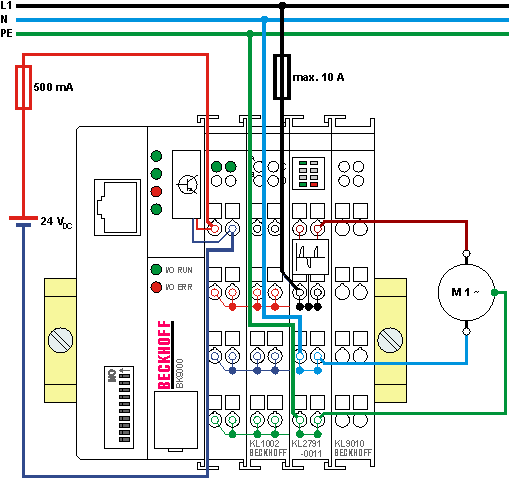
KL2791-0011 - Anwendungsbeispiel
| |
Verletzungsgefahr durch Stromschlag und Beschädigung des Gerätes möglich! Setzen Sie das Busklemmen-System in einen sicheren, spannungslosen Zustand, bevor Sie mit der Montage, Demontage oder Verdrahtung der Busklemmen beginnen! |
Das Beispiel zeigt die Ansteuerung eines Motors durch eine KL2791-0011. Die Netzspannung (230 VAC) wird direkt auf die Drehzahlstellerklemme geführt.
Abb.15: KL2791-0011 - AnwendungsbeispielHinweis | |
Beschädigung des Gerätes möglich! Die Einspeisung der Netzspannung ohne Einspeiseklemme ist nur für Drehzahlstellerklemmen ohne Power-Kontakte (KL2791-0011) zulässig! |
