KL2791 - Anwendungsbeispiel
| |
Verletzungsgefahr durch Stromschlag und Beschädigung des Gerätes möglich! Setzen Sie das Busklemmen-System in einen sicheren, spannungslosen Zustand, bevor Sie mit der Montage, Demontage oder Verdrahtung der Busklemmen beginnen! |
Einspeiseklemme
Hinweis | |
Netzspannung nur über für 230 VAC / 120 VAC geeignete Einspeiseklemme einspeisen! Buskoppler, Busklemmen-Controller und Einspeiseklemmen für 24 V sind nicht für die Einspeisung von Netzspannung (230 VAC / 120 VAC) in die Powerkontakte geeignet! Verwenden Sie zum Einspeisen der Netzspannung (230 VAC / 120 VAC) in die Powerkontakte unbedingt eine für 230 VAC / 120 VAC ausgelegte Einspeiseklemme (z. B.: KL9150, KL9160, KL9250, KL9260)! |
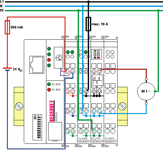
Das Beispiel zeigt die Ansteuerung eines Wechselstrommotors durch eine KL2791. Die Netzspannung (230 VAC) wird über die Einspeiseklemme KL9160 den Powerkontakten zugeführt.
Abb.14: KL2791 - Anwendungsbeispiel
| |
Schutzerde (PE) Sollte Ihr Motor geerdet werden müssen, schließen Sie dessen Erdungskontakt direkt an PE (Schutzerde) Ihres Schaltschranks oder Ihrer Unterverteilung an und nicht an die Drehzahlstellerklemme KL2791! |
Eine Einspeiseklemme kann mehrere Drehzahlstellerklemmen versorgen.
