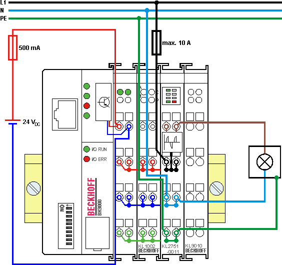
KL2751-0011 - Anwendungsbeispiel
| |
Verletzungsgefahr durch Stromschlag und Beschädigung des Gerätes möglich! Setzen Sie das Busklemmen-System in einen sicheren, spannungslosen Zustand, bevor Sie mit der Montage, Demontage oder Verdrahtung der Busklemmen beginnen! |
Einspeisung der Netzspannung ohne Einspeiseklemme
Hinweis | |
Beschädigung des Gerätes möglich! Die Einspeisung der Netzspannung ohne Einspeiseklemme ist nur zulässig für Dimmerklemmen ohne Power-Kontakte: |
Das Beispiel zeigt die Ansteuerung einer Glühlampe durch eine KL2751-0011. Die Netzspannung (230 VAC) wird direkt auf die KL2751-0011 geführt.
