KL2751 - Anwendungsbeispiel
| |
Verletzungsgefahr durch Stromschlag und Beschädigung des Gerätes möglich! Setzen Sie das Busklemmen-System in einen sicheren, spannungslosen Zustand, bevor Sie mit der Montage, Demontage oder Verdrahtung der Busklemmen beginnen! |
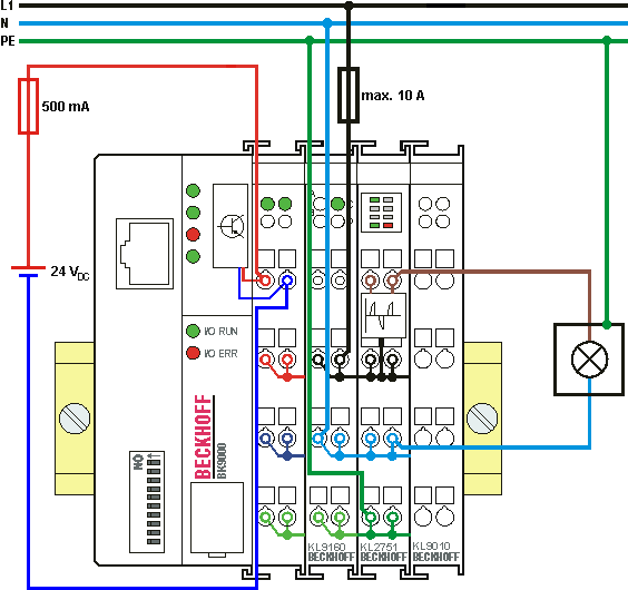
Einspeiseklemme
Hinweis | |
Beschädigung des Gerätes möglich! Buskoppler, Busklemmen-Controller und Einspeiseklemmen für 24 V sind nicht für die Einspeisung von Netzspannung (230 VAC) in die Powerkontakte geeignet! Sie sind nur für Spannungen bis 24 V ausgelegt und werden beim Anlegen von höheren Spannungen an ihre Powerkontakte zerstört! Verwenden Sie zum Einspeisen der Netzspannung (230 VAC) in die Powerkontakte unbedingt eine für 230 VAC ausgelegte Einspeiseklemme (z. B.: KL9150, KL9160, KL9250, KL9260)! |
Das Beispiel zeigt die Ansteuerung einer Glühlampe durch eine KL2751. Die Netzspannung (230 VAC) wird über die Einspeiseklemme KL9160 den Powerkontakten zugeführt.

| |
Schutzerde (PE) Sollte Ihre Leuchte geerdet werden müssen, schließen Sie deren Erdungskontakt direkt an PE (Schutzerde) Ihres Schaltschranks oder Ihrer Unterverteilung) an und nicht an die Dimmerklemme KL2751! |
Es können mehrere Dimmerklemmen an einer Einspeiseklemme betrieben werden.