Messung Potentiometer
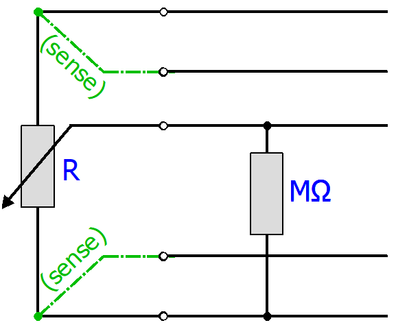
Das Potentiometer ist mit dem integrierten Netzteil (max. 5 V, einstellbar) zu versorgen. Die Schleifer-Spannung wird dann im Verhältnis zur Speisespannung gemessen und in % ausgegeben. Technisch verläuft die Messung also wie eine DMS‑Halbbrücke.
Im Folgenden ist die Spezifikation im 5-Leiter-Anschluss gegeben, externe Leitungswiderstände werden durch den 5-Leiter-Anschluss kompensiert und das Poti wird direkt vom Messkanal erfasst. Im 3-Leiter-Anschluss leistet der Messkanal grundsätzlich die gleiche Spezifikation, da er intern weiterhin im 5-Leiter-Betrieb misst. Allerdings müssen durch das angeschlossene Poti die zumeist unklaren und temperaturabhängigen Zuleitungs- und Übergangswiderstände in Kabeln und Steckern berücksichtigung finden, da sie die Messung beeinträchtigen. Das Gesamtsystem „Potentiometer + Zuleitungen + Messkanal“ im 3-Leiter-Anschluss wird daher die u.a. Spezifikationswerte praktisch nicht erreichen können.
Mögliche Diagnosen bei Vollausschlag bzw. 0-Anzeige:
- Schleiferbruch
- Versorgungsunterbrechung
Es sind Potentiometer ab 500 Ω einsetzbar.
Die Spezifikation wie auch der herstellerseitige Abgleich wurde an einem 5-kΩ-Potentiometer ermittelt. Bei einem anderen Potentiometer-Widerstand kommt es zu Fehlmessung durch die geänderten Parallelschaltungsverhältnisse, vgl. Kapitel „Speisung, Potentialgruppen“.

Die Verzerrung kann zudem mathematisch erfasst werden:
Abb.14: Unterschied zwischen 500 Ω und 5 kΩ Poti![]() | Verwendung der Beispielprogramme Dieses Dokument enthält exemplarische Anwendungen unserer Produkte für bestimmte Einsatzbereiche. Die hier dargestellten Anwendungshinweise beruhen auf den typischen Eigenschaften unserer Produkte und haben ausschließlich Beispielcharakter. Die mit diesem Dokument vermittelten Hinweise beziehen sich ausdrücklich nicht auf spezifische Anwendungsfälle, daher liegt es in der Verantwortung des Anwenders zu prüfen und zu entscheiden, ob das Produkt für den Einsatz in einem bestimmten Anwendungsbereich geeignet ist. Wir übernehmen keine Gewährleistung, dass der in diesem Dokument enthaltene Quellcode vollständig und richtig ist. Wir behalten uns jederzeit eine Änderung der Inhalte dieses Dokuments vor und übernehmen keine Haftung für Irrtümer und fehlenden Angaben. |
Zur theoretischen Korrektur eines anderen Potentiometers kann folgender Beispielcode eingesetzt werden:
VAR R_Poti_calibration : LREAL := 5000.0; // Ohm (vendor calibration case) R_Poti_actual : LREAL := 500.0; // Ohm (user application case) Rin : LREAL := 2.06E6; // Ohm PDO : LREAL; // RAW Value PDO_Ratio : LREAL; R2_act : LREAL; R1_act : LREAL; R2_act_Rin_parallel : LREAL; R2_calibration : LREAL; R1_calibration : LREAL; R2_calibration_Rin_parallel : LREAL; PDO_corrected : LREAL;END_VARPDO_Ratio := PDO / 7812500.0;R2_act := R_Poti_actual / 2.0 - PDO_Ratio * R_Poti_actual / 2.0;R1_act := R_Poti_actual / 2.0 + PDO_Ratio * R_Poti_actual / 2.0;IF (R2_act + Rin) <> 0 THEN R2_act_Rin_parallel := (R2_act * Rin) / (R2_act + Rin);ELSE R2_act_Rin_parallel := 0.0;END_IFR2_calibration := R_Poti_calibration / 2.0 - PDO_Ratio * R_Poti_calibration / 2.0;R1_calibration := R_Poti_calibration / 2.0 + PDO_Ratio * R_Poti_calibration / 2.0;IF (R2_calibration + Rin) <> 0 THEN R2_calibration_Rin_parallel := (R2_calibration * Rin) / (R2_calibration + Rin);ELSE R2_calibration_Rin_parallel := 0.0;END_IF
IF (R1_act + R2_act_Rin_parallel) <> 0 AND R_Poti_actual <> 0 AND (R1_calibration + R2_calibration_Rin_parallel) <> 0 AND R_Poti_calibration <> 0 THEN PDO_corrected := (PDO_Ratio- (((2.0*(0.5-R2_act_Rin_parallel/(R1_act+R2_act_Rin_parallel)))- (2.0*(0.5-R2_act/R_Poti_actual)))-
((2.0*(0.5-R2_calibration_Rin_parallel/(R1_calibration+R2_calibration_Rin_parallel)))- (2.0*(0.5-R2_calibration/R_Poti_calibration)))))*7812500.0;ELSE PDO_corrected := 0.0;END_IFMessung Modus | Potentiometer (3/5-Leiter) |
|---|---|
Betriebsart | Die Speisespannung ist per CoE einstellbar, |
Messbereich, nominell | -1 … 1 V/V |
Messbereich, Endwert (MBE) | 1 V/V |
Messbereich, technisch nutzbar | -1 …1 V/V |
PDO Auflösung | 24 Bit (inkl. Vorzeichen) |
PDO LSB (Extended Range) | 0,128 ppm |
PDO LSB (Legacy Range) | 0,119… ppm |
Vorläufige Angaben:
Messung Modus | Potentiometer (3/5-Leiter) | ||||
|---|---|---|---|---|---|
Grundgenauigkeit: Messabweichung bei 23°C, mit Mittelwertbildung, typ. 2) | ohne Offset | < ±0,005 %MBE | |||
inkl. Offset | < ±0,015 %MBE | ||||
Offset/Nullpunkt-Abweichung (bei 23°C) | FOffset | < 140 ppmMBE | |||
Gain/Scale/Verstärkungs-Abweichung (bei 23°C) | FGain | < 40 ppm | |||
Nichtlinearität über den gesamten Messbereich | FLin | < 30 ppmMBE | |||
Wiederholgenauigkeit | FRep | < 2 ppmMBE | |||
Rauschen (ohne Filterung, bei 23°C) | FNoise, PtP | < 105,0 ppmMBE | |||
FNoise, RMS | < 18,0 ppmMBE | ||||
Max. SNR | > 95,1 dB | ||||
Rauschdichte@1kHz | < 0,18 | ||||
Rauschen (mit 50 Hz FIR Filter, bei 23°C) | FNoise, PtP | < 9,0 ppmMBE | |||
FNoise, RMS | < 1,5 ppmMBE | ||||
Max. SNR | > 116,5 dB | ||||
Gleichtaktunterdrückung (ohne Filter) 3) | DC: | 50 Hz: | 1 kHz: | ||
Gleichtaktunterdrückung (mit 50 Hz FIR Filter) 3) | DC: | 50 Hz: | 1 kHz: | ||
Temperaturkoeffizient, typ. | TkGain | < 2 ppm/K | |||
TkOffset | < 2 ppmMBE/K | ||||
Größte kurzzeitige Abweichung während einer festgelegten elektrischen Störprüfung | 0,03 %MBE = 300 ppmMBE typ. | ||||
Eingangsimpedanz (Innenwiderstand) | tbd | ||||
2) Ein ggf. regelmäßiger Offset-Abgleich bei angeschlossenem Potentiometer wird empfohlen. Die gegebene Offset-Spezifikation der Box spielt damit praktisch keine Rolle mehr. Deshalb sind hier Spezifikationswerte mit und ohne Offset-Anteil angegeben. Praktisch kann der Offset-Anteil durch die Funktionen Tara als auch ZeroOffset der Box oder eine übergeordnete Tara-Funktion in der Steuerung eliminiert werden. Die Offset-Abweichung kann sich über die Zeit ändern, deshalb empfiehlt Beckhoff einen regelmäßigen Offset-Abgleich oder eine aufmerksame Beobachtung der Veränderung.
3) Werte beziehen sich auf eine Gleichtaktstörung zwischen SGND und internem GND.
Potentiometer-Messbereich
Abb.15: Darstellung Potentiometer-MessbereichHinweis: Im Extended Range Mode hat die Underrange/Overrange-Anzeige im PDO Status bei Überschreitung des nominellen Messbereichs den Charakter einer Information/Warnung, das heißt, es wird dabei kein Error in PDO-Status und LED angezeigt. Wird dann im Weiteren auch der technische Messbereich überschritten, wird zusätzlich Error = TRUE angezeigt. Die Erkennungsgrenze für Underrange/Overrange Error ist im CoE einstellbar. Im Legacy Range Mode führt ein Underrange/Overrange -Ereignis zugleich zu einem Error im PDO-Status. |

typ.
typ.