EL4074
Abb.8: EL4074 LED und AnschlussbelegungLED | Farbe | Bedeutung | |
|---|---|---|---|
RUN | grün | Diese LEDs geben den Betriebszustand der Klemme wieder: | |
aus | Zustand der EtherCAT State Machine: INIT = Initialisierung der Klemme | ||
blinkend | Zustand der EtherCAT State Machine: PREOP = Funktion für Mailbox-Kommunikation und abweichende Standard-Einstellungen gesetzt | ||
Einzelblitz | Zustand der EtherCAT State Machine: SAFEOP = Überprüfung der Kanäle des Sync-Managers und der Distributed Clocks. | ||
an | Zustand der EtherCAT State Machine: OP = normaler Betriebszustand; Mailbox- und Prozessdatenkommunikation ist möglich | ||
flimmernd | Zustand der EtherCAT State Machine: BOOTSTRAP = Funktion für Firmware-Updates der Klemme | ||
ERROR | rot | - Überlastung des Analogausgangs: | |
Hinweis | |
Kabellängen >30 m Bei größeren Kabellängen >30 m ist ein geeigneter Überspannungsschutz (Surge-Protection) vorzusehen (z.B. EL9540-0010), wenn entsprechende Störungen auf das Signalkabel einwirken könnten. |
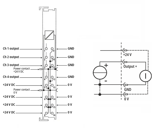
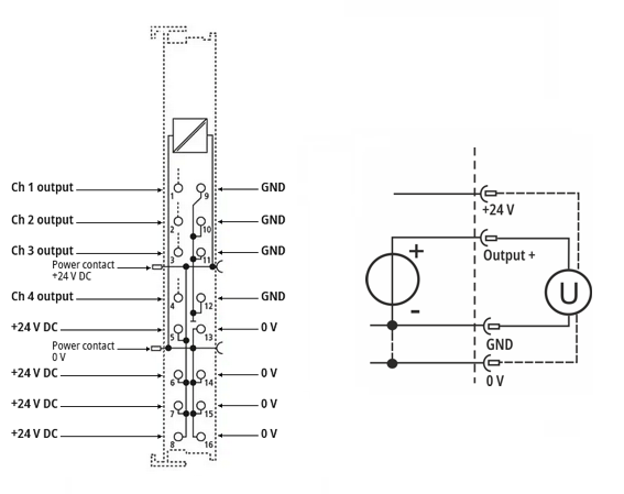
Anschlussbelegung EL4074
Klemmstelle | Nr. | Beschreibung | Intern verbunden mit Anschluss | Max. Strombelastbarkeit *) |
|---|---|---|---|---|
Ch1 output | 1 | Spannungs-/Stromausgang, Kanal 1 | - | überlastgeschützt |
Ch2 output | 2 | Spannungs-/Stromausgang, Kanal 2 | - | überlastgeschützt |
Ch3 output | 2 | Spannungs-/Stromausgang, Kanal 3 | - | überlastgeschützt |
Ch4 output | 2 | Spannungs-/Stromausgang, Kanal 4 | - | überlastgeschützt |
+24 V DC | 5 | +24 V | 6; 7, 8 +24 V Powerkontakt | 1 A |
+24 V DC | 6 | +24 V | 5, 7, 8 +24 V Powerkontakt | 1 A |
+24 V DC | 7 | +24 V | 5, 6, 8 +24 V Powerkontakt | 1 A |
+24 V DC | 8 | +24 V | 5, 6, 7, +24 V Powerkontakt | 1 A |
GND | 9 | Analoge Masse (Bezugspotential für Ch1...Ch4) | 10, 11, 12 | 100 mA **) |
GND | 10 | Analoge Masse (Bezugspotential für Ch1...Ch4) | 9, 11, 12 | 100 mA **) |
GND | 11 | Analoge Masse (Bezugspotential für Ch1...Ch4) | 9, 10, 12 | 100 mA **) |
GND | 12 | Analoge Masse (Bezugspotential für Ch1...Ch4) | 9, 10, 11 | 100 mA **) |
0 V | 13 | 0 V | 14, 15, 16, 0 V Powerkontakt | 1 A |
0 V | 14 | 0 V | 13, 15, 16, 0 V Powerkontakt | 1 A |
0 V | 15 | 0 V | 13, 14, 16, 0 V Powerkontakt | 1 A |
0 V | 16 | 0 V | 13, 14, 15, 0 V Powerkontakt | 1 A |
*) Dauerstrom; kurzzeitige höhere Ströme sind zu vermeiden und können zu thermischer Überlastung (Beschädigung) führen
**) Das Potential „GND“ ist intern an das Potential „0V“ gekoppelt, unterliegt aber einer reduzierten Stromtragfähigkeit
Spannungsausgang 0 ...10V / -10 … +10V
Abb.9: Anschlussbeispiel EL4074, Spannungsausgang, 2- / 4-Leiter- 2-Leiter: 2-poliger Spannungsausgang; 4-Leiter: mit zusätzlicher 24-V-Versorgung des Aktors
Stromausgang -20 / 0 / +4…+20 mA
Abb.10: Anschlussbeispiel EL4074, Stromausgang, 2- / 4-Leiter- 2-Leiter: 2-poliger Stromausgang; 4-Leiter: mit zusätzlicher 24-V-Versorgung des Aktors