EL4072
Abb.5: EL4072 LED und AnschlussbelegungLED | Farbe | Bedeutung | |
|---|---|---|---|
RUN | grün | Diese LEDs geben den Betriebszustand der Klemme wieder: | |
aus | Zustand der EtherCAT State Machine: INIT = Initialisierung der Klemme | ||
blinkend | Zustand der EtherCAT State Machine: PREOP = Funktion für Mailbox-Kommunikation und abweichende Standard-Einstellungen gesetzt | ||
Einzelblitz | Zustand der EtherCAT State Machine: SAFEOP = Überprüfung der Kanäle des Sync-Managers und der Distributed Clocks. | ||
an | Zustand der EtherCAT State Machine: OP = normaler Betriebszustand; Mailbox- und Prozessdatenkommunikation ist möglich | ||
flimmernd | Zustand der EtherCAT State Machine: BOOTSTRAP = Funktion für Firmware-Updates der Klemme | ||
ERROR | rot | - Überlastung des Analogausgangs: Drahtbruch bei I-Ausgang, Kurzschluss bei U-Ausgang | |
Hinweis | |
Kabellängen >30 m Bei größeren Kabellängen >30 m ist ein geeigneter Überspannungsschutz (Surge-Protection) vorzusehen (z.B. EL9540-0010), wenn entsprechende Störungen auf das Signalkabel einwirken könnten. |
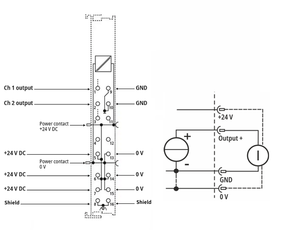
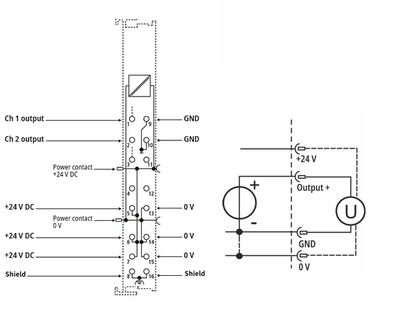
Anschlussbelegung EL4072
Klemmstelle | Nr. | Beschreibung | Intern verbunden mit Anschluss | Max. Strombelastbarkeit *) |
|---|---|---|---|---|
Ch1 output | 1 | Spannungs-/Stromausgang, Kanal 1 | - | überlastgeschützt |
Ch2 output | 2 | Spannungs-/Stromausgang, Kanal 2 | - | Überlastgeschützt |
n.c. | 3 | - | - | - |
n.c. | 4 | - | - | - |
+24 V DC | 5 | +24 V | 6; 7, +24 V Powerkontakt | 1 A |
+24 V DC | 6 | +24 V | 5, 7, +24 V Powerkontakt | 1 A |
+24 V DC | 7 | +24 V | 5, 6, +24 V Powerkontakt | 1 A |
Shield | 8 | Schirmanschluss | 16 | 1 A ***) |
GND | 9 | Analoge Masse (Bezugspotential für Ch1...Ch2) | 10 | 100 mA **) |
GND | 10 | Analoge Masse (Bezugspotential für Ch1...Ch2) | 9 | 100 mA **) |
n.c. | 11 | - | - | - |
n.c. | 12 | - | - | - |
0 V | 13 | 0 V | 14, 15, 0 V Powerkontakt | 1 A |
0 V | 14 | 0 V | 13, 15, 0 V Powerkontakt | 1 A |
0 V | 15 | 0 V | 13, 14, 0 V Powerkontakt | 1A |
Shield | 16 | Schirmanschluss | 8 | 1 A ***) |
*) Dauerstrom; kurzzeitig höhere Ströme sind zu vermeiden und können zu thermischer Überlastung (Beschädigung) führen
**) Das Potential „GND“ ist intern an das Potential „0V“ gekoppelt, unterliegt aber einer reduzierten Stromtragfähigkeit
***) Der Anschlusspunkt verbindet direkt mit dem Hutschienenkontakt.
Schirmverbindungen sollten generell stromlos (DC) sein! Siehe analogtechnische Hinweise führung im Beckhoff Analoghandbuch.
Wenn möglich ist eine externe Schirmanbindung z.B. via Beckhoff ZB8511 o.ä. zu bevorzugen.
Spannungsausgang 0 ...10V / -10 … +10V
Abb.6: Anschlussbeispiel EL4072, Spannungsausgang, 2- / 4-Leiter- 2-Leiter: 2-poliger Spannungsausgang; 4-Leiter: mit zusätzlicher 24-V-Versorgung des Aktors
Stromausgang -20 / 0 / +4…+20 mA
Abb.7: Anschlussbeispiel EL4072, Stromausgang, 2- / 4-Leiter- 2-Leiter: 2-poliger Stromausgang; 4-Leiter: mit zusätzlicher 24-V-Versorgung des Aktors