Anschlussbelegung
| |
Verletzungsgefahr durch Stromschlag und Beschädigung des Gerätes möglich! Setzen Sie das Busklemmen-System in einen sicheren, spannungslosen Zustand, bevor Sie mit der Montage, Demontage oder Verdrahtung der Busklemmen beginnen! |
Hinweis | |
Kabellängen > 30 m Bei Kabellängen > 30 m ist ein geeigneter Überspannungsschutz (Surge-Protection) vorzusehen (z. B. EL9540-0010), wenn entsprechende Störungen auf das Signalkabel einwirken könnten. |
Klemmstelle | Beschreibung | Intern verbunden mit Anschluss | Max. Strombelastbarkeit *) | |
|---|---|---|---|---|
Kurzbezeichnung | Nr. | |||
Ch1 analog output | 1 | Spannungs-/Stromausgang, Kanal 1 | - | überlastgeschützt |
Ch2 analog output | 2 | Spannungs-/Stromausgang, Kanal 2 | - | überlastgeschützt |
Ch3 analog output | 3 | Spannungs-/Stromausgang, Kanal 3 | - | überlastgeschützt |
Ch4 analog output | 4 | Spannungs-/Stromausgang, Kanal 4 | - | überlastgeschützt |
Ch5 analog output | 5 | Spannungs-/Stromausgang, Kanal 5 | - | überlastgeschützt |
Ch6 analog output | 6 | Spannungs-/Stromausgang, Kanal 6 | - | überlastgeschützt |
Ch7 analog output | 7 | Spannungs-/Stromausgang, Kanal 7 | - | überlastgeschützt |
Ch8 analog output | 8 | Spannungs-/Stromausgang, Kanal 8 | - | überlastgeschützt |
GND | 9 | Analoge Masse (Bezugspotential für Ch1...Ch8) | 10, 11, 12, 13, 14, 15, 16 | 100 mA **) |
GND | 10 | Analoge Masse (Bezugspotential für Ch1...Ch8) | 9, 11, 12, 13, 14, 15, 16 | 100 mA **) |
GND | 11 | Analoge Masse (Bezugspotential für Ch1...Ch8) | 9, 10, 12, 13, 14, 15, 16 | 100 mA **) |
GND | 12 | Analoge Masse (Bezugspotential für Ch1...Ch8) | 9, 10, 11, 13, 14, 15, 16 | 100 mA **) |
GND | 13 | Analoge Masse (Bezugspotential für Ch1...Ch8) | 9, 10, 11, 12, 14, 15, 16 | 100 mA **) |
GND | 14 | Analoge Masse (Bezugspotential für Ch1...Ch8) | 9, 10, 11, 12, 13, 15, 16 | 100 mA **) |
GND | 15 | Analoge Masse (Bezugspotential für Ch1...Ch8) | 9, 10, 11, 12, 13, 14, 16 | 100 mA **) |
GND | 16 | Analoge Masse (Bezugspotential für Ch1...Ch8) | 9, 10, 11, 12, 13, 14, 15 | 100 mA **) |
*) Dauerstrom; kurzzeitige höhere Ströme sind zu vermeiden und können zu thermischer Überlastung (Beschädigung) führen | ||||
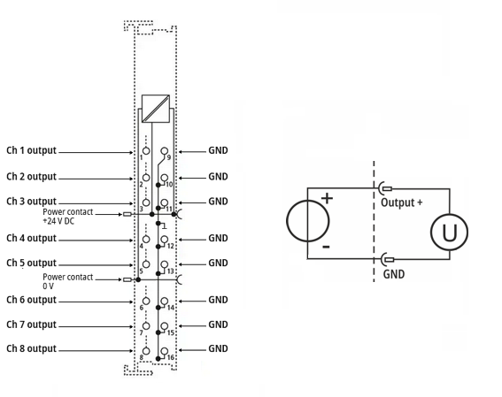
Spannungsausgang 0 ...10V / -10 … +10V
Abb.11: Anschlussbeispiel ED4078, Spannungsausgang, 2-Leiter- 2-Leiter: 2-poliger Spannungsausgang
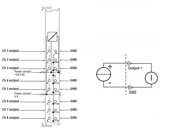
Stromausgang -20 / 0 / +4…+20 mA
Abb.12: Anschlussbeispiel ED4078, Stromausgang, 2-Leiter- 2-Leiter: 2-poliger Stromausgang
