Anschlussbelegung
| |
Verletzungsgefahr durch Stromschlag und Beschädigung des Gerätes möglich! Setzen Sie das Busklemmen-System in einen sicheren, spannungslosen Zustand, bevor Sie mit der Montage, Demontage oder Verdrahtung der Busklemmen beginnen! |
Hinweis | |
Kabellängen > 30 m Bei Kabellängen > 30 m ist ein geeigneter Überspannungsschutz (Surge-Protection) vorzusehen (z. B. EL9540-0010), wenn entsprechende Störungen auf das Signalkabel einwirken könnten. |
Klemmstelle | Beschreibung | Intern verbunden mit Anschluss | Max. Strombelastbarkeit *) | |
|---|---|---|---|---|
Kurzbezeichnung | Nr. | |||
Ch1 analog output | 1 | Spannungs-/Stromausgang, Kanal 1 | - | überlastgeschützt |
Ch2 analog output | 2 | Spannungs-/Stromausgang, Kanal 2 | - | überlastgeschützt |
n.c. | 3 | - | - | - |
n.c. | 4 | - | - | - |
+24 V DC | 5 | +24 V | 6; 7, +24 V Powerkontakt | 1 A |
+24 V DC | 6 | +24 V | 5, 7, +24 V Powerkontakt | 1 A |
+24 V DC | 7 | +24 V | 5, 6, +24 V Powerkontakt | 1 A |
Shield | 8 | Schirmanschluss | 16 | 1 A ***) |
GND | 9 | Analoge Masse (Bezugspotential für Ch1...Ch2) | 10 | 100 mA **) |
GND | 10 | Analoge Masse (Bezugspotential für Ch1...Ch2) | 9 | 100 mA **) |
n.c. | 11 | - | - | - |
n.c. | 12 | - | - | - |
0 V | 13 | 0 V | 14, 15, 0 V Powerkontakt | 1 A |
0 V | 14 | 0 V | 13, 15, 0 V Powerkontakt | 1 A |
0 V | 15 | 0 V | 13, 14, 0 V Powerkontakt | 1 A |
Shield | 16 | Schirmanschluss | 8 | 1 A ***) |
*) Dauerstrom; kurzzeitig höhere Ströme sind zu vermeiden und können zu thermischer Überlastung (Beschädigung) führen. | ||||
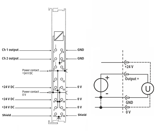
Spannungsausgang 0 ...10V / -10 … +10V
Abb.2: Anschlussbeispiel ED4072, Spannungsausgang, 2- / 4-Leiter- 2-Leiter: 2-poliger Spannungsausgang;
- 4-Leiter: mit zusätzlicher 24-V-Versorgung des Aktors
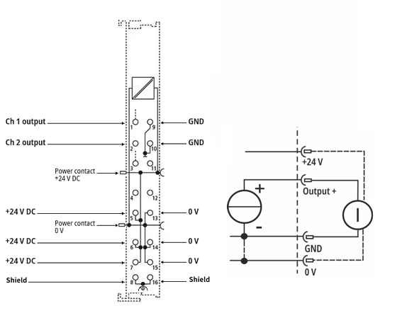
Stromausgang -20 / 0 / +4…+20 mA
Abb.3: Anschlussbeispiel ED4072, Stromausgang, 2- / 4-Leiter- 2-Leiter: 2-poliger Stromausgang;
- 4-Leiter: mit zusätzlicher 24-V-Versorgung des Aktors
