AX8820 | Systemerweiterung
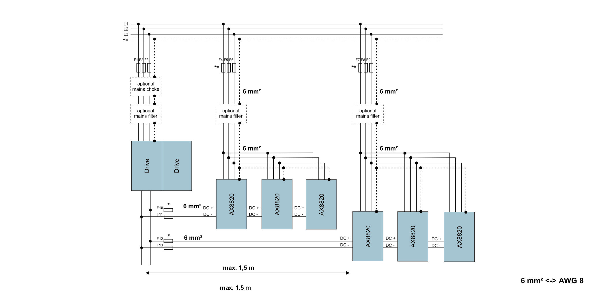
*) Weitere Informationen dazu finden Sie im Kapitel Absicherung
**) Weitere Informationen dazu finden Sie im Kapitel Absicherung
*) Weitere Informationen dazu finden Sie im Kapitel Absicherung
**) Weitere Informationen dazu finden Sie im Kapitel Absicherung