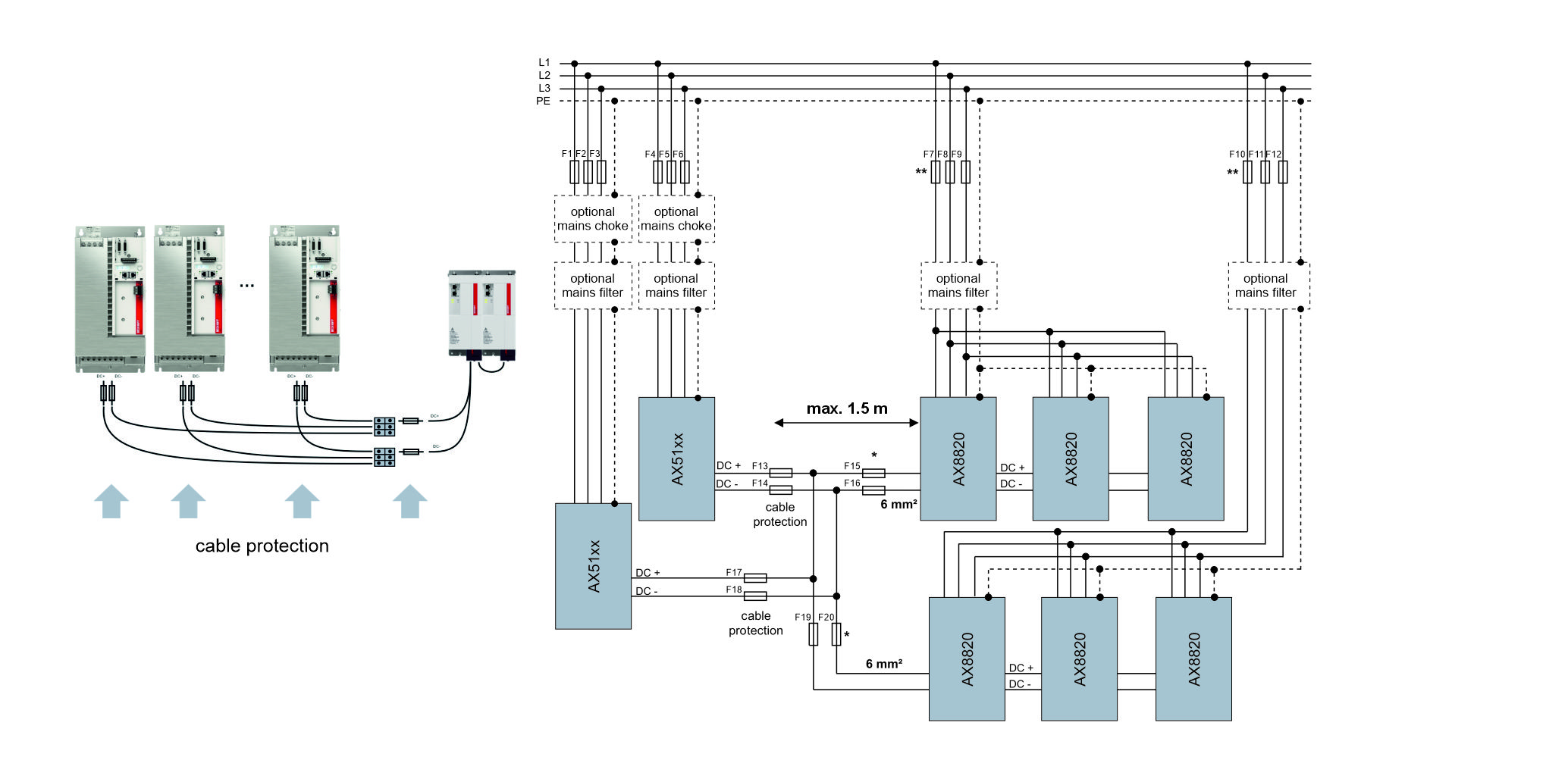
AX8820 mit DC-Link AX51xx
*) Weitere Informationen dazu finden Sie im Kapitel Absicherung
**) Weitere Informationen dazu finden Sie im Kapitel Absicherung
*) Weitere Informationen dazu finden Sie im Kapitel Absicherung
**) Weitere Informationen dazu finden Sie im Kapitel Absicherung