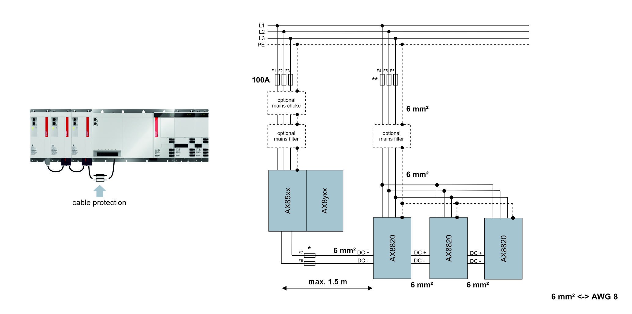
AX8820 mit AX85x0
*) Weitere Informationen dazu finden Sie im Kapitel Absicherung
**) Weitere Informationen dazu finden Sie im Kapitel Absicherung
*) Weitere Informationen dazu finden Sie im Kapitel Absicherung
**) Weitere Informationen dazu finden Sie im Kapitel Absicherung