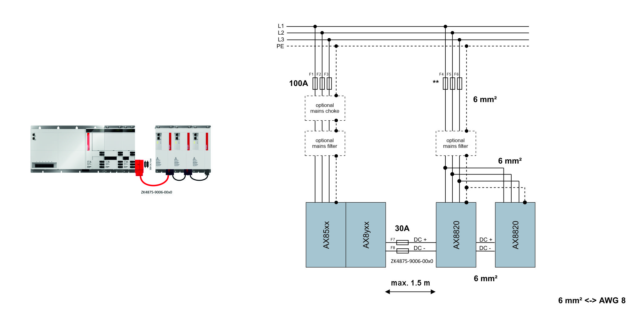
Universelle Netzrückspeisung AX8820 im Verbund mit kombinierten Einspeise- und Achsmodul AX85x0 und DC-Link-Verbindungsleitung ZK4875-9006-xxxx

**) Weitere Informationen dazu finden Sie im Kapitel Absicherung

**) Weitere Informationen dazu finden Sie im Kapitel Absicherung