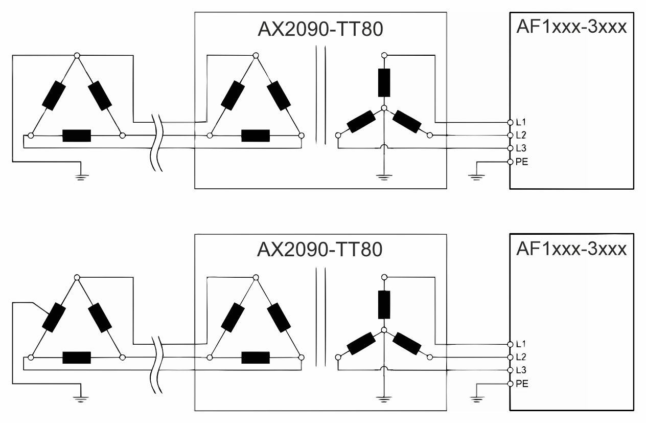
Asymmetrisch geerdetes Delta-Netz 400…480 V AC

Asymmetrisch geerdetes Delta-Netz 400…480 V AC 1: