AF1000 | Economy-Frequenzumrichter
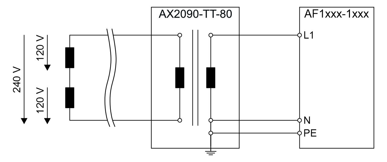
Split-phase ungeerdete Netze