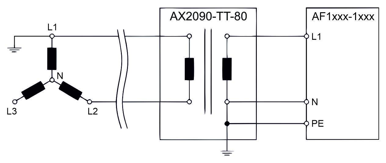
Asymmetrisch geerdetes Netz mit Sternpunkt

Asymmetrisch geerdetes Netz mit Sternpunkt 1: