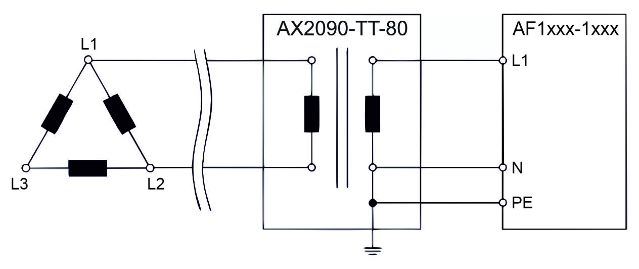
AF1000 | Economy-Frequenzumrichter
IT-Delta -Netz