AF1000 | Economy-Frequenzumrichter
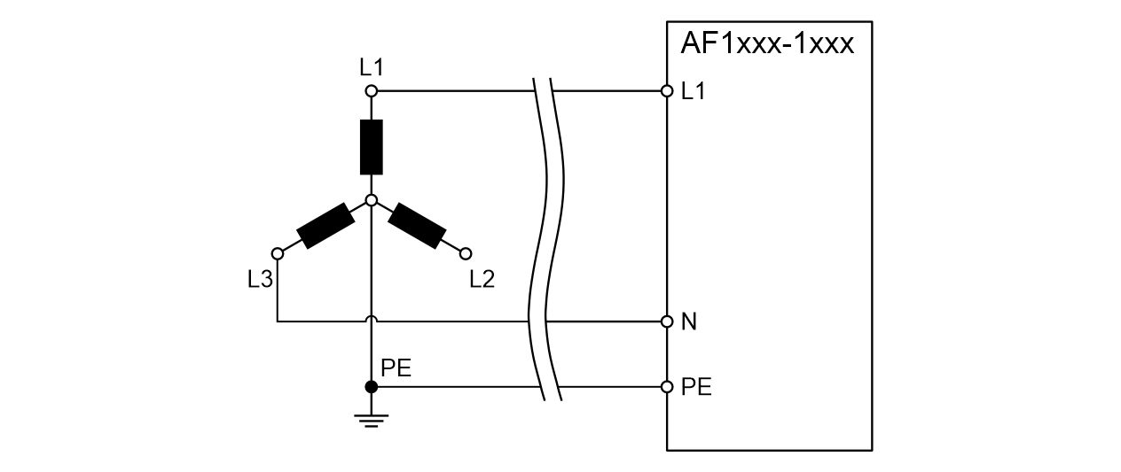
TN-Netz