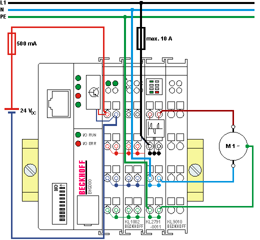
KL2791-0011 - application example
| |
Risk of injury through electric shock and damage to the device! Bring the Bus Terminals system into a safe, de-energized state before starting mounting, disassembly or wiring of the Bus Terminals! |
The example illustrates control of a motor through a KL2791-0011. The mains voltage (230 VAC) is supplied directly to the speed controller terminal.

Notice | |
Risk of damage to the device! Supply of the mains voltage without power feed terminal is only permitted for speed controller terminals without power contacts (KL2791-0011)! |