KL2791 - application example
| |
Risk of injury through electric shock and damage to the device! Bring the Bus Terminals system into a safe, de-energized state before starting mounting, disassembly or wiring of the Bus Terminals! |
Power feed terminal
Notice | |
The mains voltage should only be supplied via a power feed terminal that is suitable for 230 VAC / 120 VAC! Bus Couplers, Bus Terminal controllers and power feed terminals for 24 V are not suitable for the supply of mains voltage (230 VAC / 120 VAC) into the power contacts! They are specifically designed for voltages up to 24 V and would be destroyed higher voltage was applied to their power contacts! To supply the mains voltage (230 VAC / 120 VAC) for the power contacts, it is essential to use a power feed terminal that is designed for 230 VAC / 120 VAC (e.g.: KL9150, KL9160, KL9250, KL9260)! |
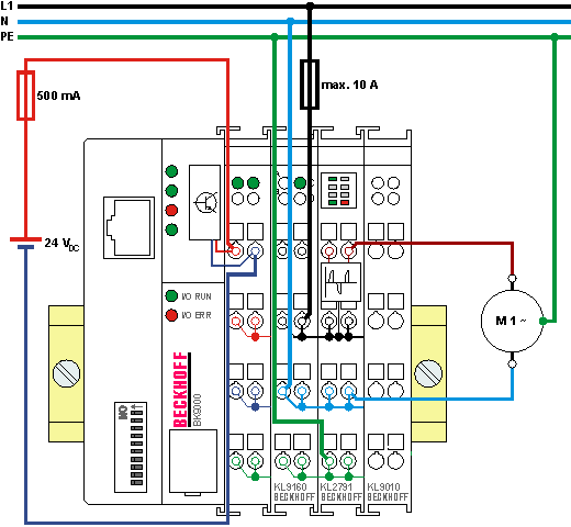
The example illustrates control of an AC motor through a KL2791. The mains voltage (230 VAC) is supplied to the power contacts via the KL9160 power feed terminal.

| |
Protective earth (PE) If your motor needs to be earthed, connect its earthing contact directly to PE (protective earth) of your switch cabinet or sub-distribution board and not to the KL2791 dimmer terminal! |
A power feed terminal can supply several speed controller terminals.